请注意,本文内容源自机器翻译,可能存在语法或其它翻译错误,仅供参考。如需获取准确内容,请参阅链接中的英语原文或自行翻译。
器件型号:AM4372 大家好、
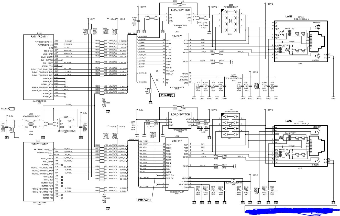
我的客户将使用具有2个以太网(RMII)的 AM4372。 它们有自己的电路板、电路板不工作。 遗憾的是,在网络中,没有 AM43**和2个以太网的样本。 在我看来、客户电路板上似乎错过了一些东西。 他们认为 Sitara 的时钟频率约为50MHz ...
在随附的文件中、您可以找到 PCB 原理图。 我有 PDF、其中 PN 以文本(而非图片)形式编写、客户的敏感信息可以发送到您的电子邮件中。
此致、
Dmitry