请注意,本文内容源自机器翻译,可能存在语法或其它翻译错误,仅供参考。如需获取准确内容,请参阅链接中的英语原文或自行翻译。
器件型号:DRA829J-Q1 工具与软件:
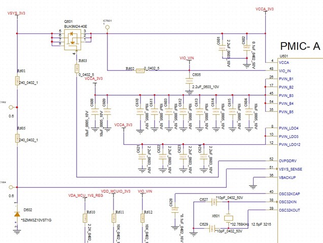
在我们的设计中、VBAT_VSYS 的典型值为12V、通过降压 IC 将12V 转换为 VSYS_3V3 (典型值为3.3V)。 VSYS_3V3是 TPS65941213的输入。
当我们 为 系统提供12V 电压时、系统通电、并将电压降低到4.5V、 系统断电 。 但是、当所提供的电压从4.5V 恢复到12V 时、系统无法上电。 我们测量了波形、发现 TPS65941213的 OVPGDRV 引脚未上电。
请确认问题是什么?
