This thread has been locked.

If you have a related question, please click the "Ask a related question" button in the top right corner. The newly created question will be automatically linked to this question.

[参考译文] LMH2110:铅/焊球问题

Guru**** 2530550 points
Other Parts Discussed in Thread: LMH2110

请注意,本文内容源自机器翻译,可能存在语法或其它翻译错误,仅供参考。如需获取准确内容,请参阅链接中的英语原文或自行翻译。

https://e2e.ti.com/support/rf-microwave-group/rf-microwave/f/rf-microwave-forum/911780/lmh2110-lead-ball-question

器件型号:LMH2110

您好、先生、

我是否可以知道每个 IC 的引线/焊球是否有焊料?

  • 请注意,本文内容源自机器翻译,可能存在语法或其它翻译错误,仅供参考。如需获取准确内容,请参阅链接中的英语原文或自行翻译。

    Tommy、

    我们将对此进行研究。

    此致、

    Jim

  • 请注意,本文内容源自机器翻译,可能存在语法或其它翻译错误,仅供参考。如需获取准确内容,请参阅链接中的英语原文或自行翻译。

    您好、Jim、

    感谢你的帮助。

    期待您的回复。

  • 请注意,本文内容源自机器翻译,可能存在语法或其它翻译错误,仅供参考。如需获取准确内容,请参阅链接中的英语原文或自行翻译。

    嗨、Tommy、

    是的、焊球是焊球。

    此致、

    Dan

  • 请注意,本文内容源自机器翻译,可能存在语法或其它翻译错误,仅供参考。如需获取准确内容,请参阅链接中的英语原文或自行翻译。

    Dan、您好!

    感谢你的帮助。

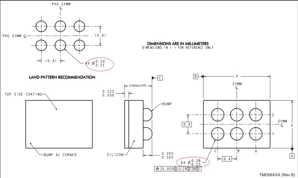
    我是否可以知道 LMH2110的焊球尺寸基于如何计算 PCB_PAD 尺寸? 有任何规格或数据可供参考?

    IC 焊球尺寸 为 Ø0.28 Ω,容差为+/-0.03? 因此、我们必须达到0.24才能实现最大 PCV_PAD 尺寸?对吧?

    并且可以提供 SMD 和 NSMD 相关数据或信息吗?

  • 请注意,本文内容源自机器翻译,可能存在语法或其它翻译错误,仅供参考。如需获取准确内容,请参阅链接中的英语原文或自行翻译。

    嗨、Tommy、

    IC 焊球尺寸 为 Ø0.28 Ω,容差为+/-0.03?  

    是的

    因此、我们必须达到0.24才能实现最大 PCV_PAD 尺寸?对吧?

    是的

    遗憾的是、我没有关于此器件的 SMD/NSMD 的其他信息。

    此致、

    Dan