This thread has been locked.

If you have a related question, please click the "Ask a related question" button in the top right corner. The newly created question will be automatically linked to this question.

[参考译文] TDC1011-Q1:6引脚或7引脚输出波形异常

Guru**** 2455560 points
Other Parts Discussed in Thread: TDC1011-Q1

请注意,本文内容源自机器翻译,可能存在语法或其它翻译错误,仅供参考。如需获取准确内容,请参阅链接中的英语原文或自行翻译。

https://e2e.ti.com/support/sensors-group/sensors/f/sensors-forum/1499450/tdc1011-q1-the-6pin-or-7pin-output-waveform-abnormality

器件型号:TDC1011-Q1

工具/软件:

尊敬的团队:

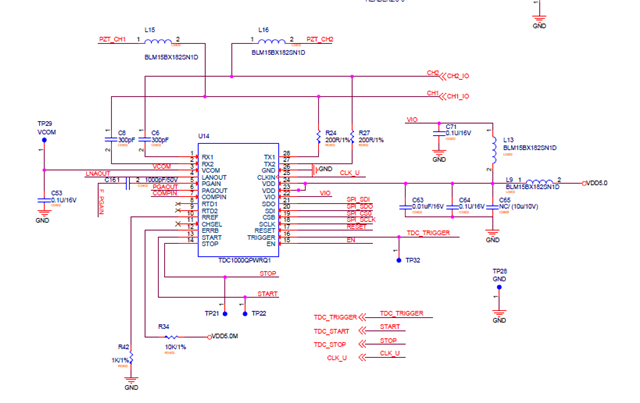
客户使用 TDC1011-Q1设计了浓度感应应用、其产品已多次大规模生产(项目于2018年启动、已生产超过800万件)。 但是、该产品通常会在6引脚(PGAOUT)或7引脚(COMPIN)处出现输出异常。我附上了 TDC1011-Q1原理图。 请帮助您回顾一下。 谢谢!

  • 请注意,本文内容源自机器翻译,可能存在语法或其它翻译错误,仅供参考。如需获取准确内容,请参阅链接中的英语原文或自行翻译。

    您好、Eric、

    在原理图上、您能解释一下 C16是如何连接的吗?  这应连接在 PGAIN 和 LNAOUT 引脚之间、如下所示。  在他们的原理图中、似乎它们有1000pF 电容器连接到 PGAIN 和 F_PGAIN 网络名称。  我看不到 F_PGAIN 网络名称在其他位置的使用位置。  他们是否正确连接了此连接?   

  • 请注意,本文内容源自机器翻译,可能存在语法或其它翻译错误,仅供参考。如需获取准确内容,请参阅链接中的英语原文或自行翻译。

    您好、Eddie、

    感谢您的 答复。  

    客户 回复:LNLOUT (PIN4)引脚连接到运算放大器、该放大器主要用于放大信号。 然后、放大器的输出(F_PGAIN)连接到1000pF 电容器、并连接回 PGAIN (PIN5)。 此连接是否正确?谢谢。

  • 请注意,本文内容源自机器翻译,可能存在语法或其它翻译错误,仅供参考。如需获取准确内容,请参阅链接中的英语原文或自行翻译。

    您好、Eddie、

    最新生产的产品中有9个故障单元、缺陷率为0.05%。 FA 报告为必填项。 请帮助检查客户设计中是否存在任何隐藏的危险? 谢谢!

  • 请注意,本文内容源自机器翻译,可能存在语法或其它翻译错误,仅供参考。如需获取准确内容,请参阅链接中的英语原文或自行翻译。

    您好、Eric、

    我们的参考设计中不包含 LNAOUT 和 PGAIN 之间的放大器。  您还能提供该放大器电路的原理图吗?  我不认为他们的电路有任何重大问题、但也想查看该放大器。  谢谢!

  • 请注意,本文内容源自机器翻译,可能存在语法或其它翻译错误,仅供参考。如需获取准确内容,请参阅链接中的英语原文或自行翻译。

    尊敬的 Eddie:

    我已经附上了该放大器电路的原理图。 请帮助查看。 谢谢。  

  • 请注意,本文内容源自机器翻译,可能存在语法或其它翻译错误,仅供参考。如需获取准确内容,请参阅链接中的英语原文或自行翻译。

    谢谢 Eric!  我认为该放大器电路没有出现任何问题、但我们没有适用于外部放大器的参考设计。  有趣的是、如果他们绕过该外部放大器、是否仍然会出现问题。   

    此外、他们是否在器件上完成了 A-B-A 交换?  IC 是否出现问题?