This thread has been locked.

If you have a related question, please click the "Ask a related question" button in the top right corner. The newly created question will be automatically linked to this question.

[参考译文] TINA/Spice/UCC21520:UCC21520自举错误

Guru**** 2587365 points
Other Parts Discussed in Thread: TINA-TI, UCC21520

请注意,本文内容源自机器翻译,可能存在语法或其它翻译错误,仅供参考。如需获取准确内容,请参阅链接中的英语原文或自行翻译。

https://e2e.ti.com/support/tools/simulation-hardware-system-design-tools-group/sim-hw-system-design/f/simulation-hardware-system-design-tools-forum/764564/tina-spice-ucc21520-ucc21520-bootstrap-error

器件型号:UCC21520
主题中讨论的其他器件:TINA-TI

工具/软件:TINA-TI 或 Spice 模型

您好!

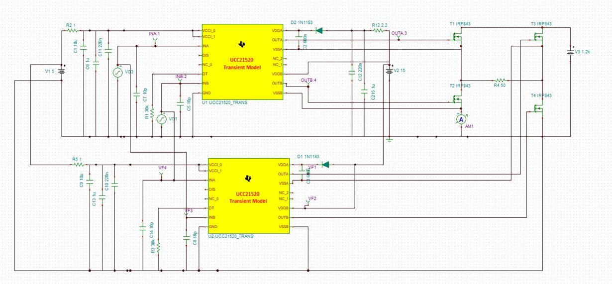
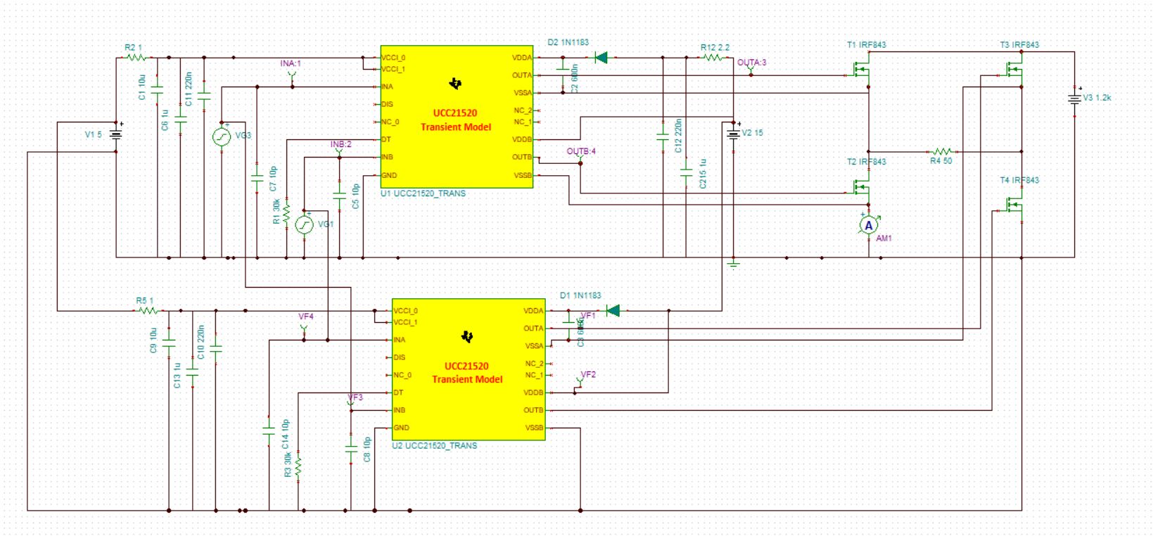
我正在尝试使用 UCC21520设计修改后的正弦波逆变器。 我尝试在 TINA 中模拟系统、但出于某种原因、它显示了收敛错误。 我正在通过自举电容器使用15V 浮动电源。  
请访问 help.e2e.ti.com/.../Modified-sine-wave-inverter.TSC

  • 请注意,本文内容源自机器翻译,可能存在语法或其它翻译错误,仅供参考。如需获取准确内容,请参阅链接中的英语原文或自行翻译。
    尊敬的 V Aneesh:

    我们将对此进行研究。

    此致、
    Ashis
  • 请注意,本文内容源自机器翻译,可能存在语法或其它翻译错误,仅供参考。如需获取准确内容,请参阅链接中的英语原文或自行翻译。

    尊敬的 V Aneesh:

    我们已解决收敛错误。 原理图中使用的功率 MOSFET 不适用于1.2kV 电源、因此我们已将其替换为开关。

    如果您需要更多帮助、请告知我们。

    e2e.ti.com/.../MOD_5F00_SINE.TSC

    谢谢、