This thread has been locked.

If you have a related question, please click the "Ask a related question" button in the top right corner. The newly created question will be automatically linked to this question.

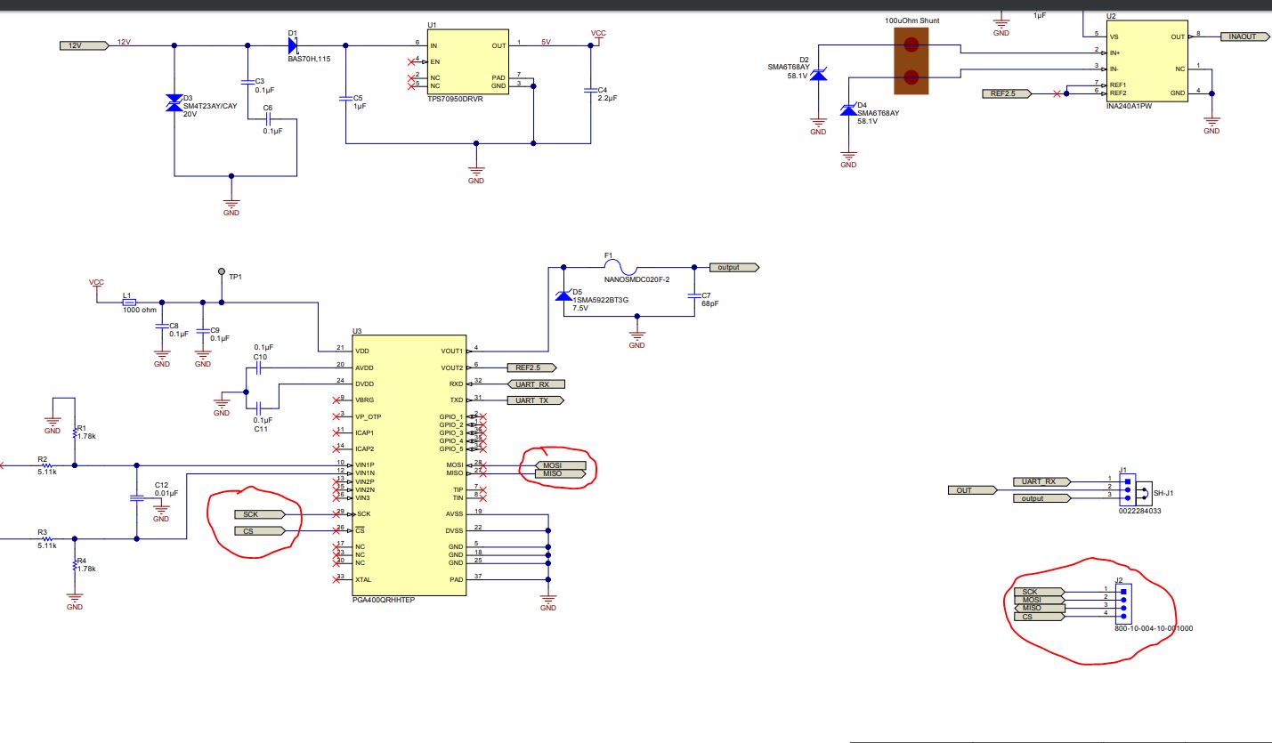
[参考译文] TIDA-03040:如何使用 TIDA-03040,我们能否读取电池的电流,如文档所示的 SPI 编程。我们希望将此模块集成到 MSP430。

Guru**** 2587345 points


请注意,本文内容源自机器翻译,可能存在语法或其它翻译错误,仅供参考。如需获取准确内容,请参阅链接中的英语原文或自行翻译。

https://e2e.ti.com/support/tools/simulation-hardware-system-design-tools-group/sim-hw-system-design/f/simulation-hardware-system-design-tools-forum/749113/tida-03040-how-to-use-tida-03040-can-we-read-the-current-of-battery-as-document-shows-the-spi-programming-we-want-to-integrate-this-module-to-msp430

器件型号:TIDA-03040

如何使用 TIDA-03040,我们能否读取电池电流,因为它支持高达500mA,如文档所示,它支持 SPI 编程 。我们希望将此模块集成到 MSP430。

我想使用 TIDA-03040来读取电池的电流, 将信息存储在 MSP430控制器中... TIDA-03040支持的过程

  • 请注意,本文内容源自机器翻译,可能存在语法或其它翻译错误,仅供参考。如需获取准确内容,请参阅链接中的英语原文或自行翻译。
    Manoj、大家好、今天好。 我们已收到您的查询、并已相应地将其转发给我们的汽车系统团队。 遗憾的是、昨天和今天是德州仪器的假日、我们已经关门了。 因此、您可以预计汽车系统设计团队将在接下来的1-2个工作日内在接下来的几周内回复您的问题。

    此致、
    J. Fullilove
    应用工程师
    TI Designs
  • 请注意,本文内容源自机器翻译,可能存在语法或其它翻译错误,仅供参考。如需获取准确内容,请参阅链接中的英语原文或自行翻译。

  • 请注意,本文内容源自机器翻译,可能存在语法或其它翻译错误,仅供参考。如需获取准确内容,请参阅链接中的英语原文或自行翻译。
    Sandeep SIR 您好,我看到 TIDA-03040有一个用于电池监控系统的应用。 我可以从电池的 TIDA 0340获得什么信息。

    使用 TIDA 0340的 SPI 通信读取电池参数时,应遵循什么内容? 。 我无法找到实现高速缓存的技术方法。

    我对这一概念非常陌生