主题中讨论的其他器件:BQ76952、BQ769142、BQ76942、
您好!
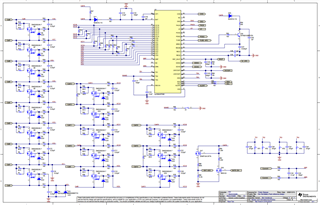
q1) BQ76952周围的分流电阻器(0 Ω、R35、R46..R70)起什么作用?


Q2) 如何测量和读取电池组的 SOH 值? (具有微控制器)?
Q3) 是否可以在同一 PCB 中将 BQ76952替换为 BQ76942或 BQ769142? (与下图相同(用 BQ769142替换 BQ76952) 16s=>14s:用分流电阻器替换电容器...)
下图显示了我的问题中提到的内容

希望您的回答以及感谢您的参与。
谢谢。
Ahmed。