请注意,本文内容源自机器翻译,可能存在语法或其它翻译错误,仅供参考。如需获取准确内容,请参阅链接中的英语原文或自行翻译。
器件型号:PMP40473 工具与软件:

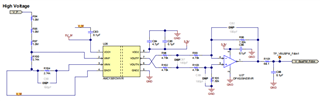
上面的原理图显示除了 C11连接外、SGND 和 PGND 是磁隔离的。 如果我想在整流桥之后收集直流电压、我可以通过大电阻器 R99和小电阻器 r98将其降压并将其连接到 SGND、然后读取 r98和 SGND 之间的电压。 这种行为合适吗?
同样、将收集输入交流电压(仅 L、NO N)、并在通过一个大电阻器和一个小电阻器降压后连接到 SGND、同时读取该小电阻器与 SGND 之间的电压。 这是否可以接受?
采用 TIDM1000 (https://www.ti.com.cn/cn/lit/df/tidrp45a/tidrp45a.pdf?ts = 1729345039041)
例如、收集总线电压 V_P、它的基准接地 V_M 是通过通过交流电压向辅助电源添加隔离变压器来获得的。 V_M 和 V_P 之间没有直接电气连接、并且它们也是磁隔离的。 以这种方式收集 V_P 电压是否合理?
