This thread has been locked.

If you have a related question, please click the "Ask a related question" button in the top right corner. The newly created question will be automatically linked to this question.

[参考译文] CC1311R3:用于868MHz设计的天线电路

Guru**** 2389770 points
Other Parts Discussed in Thread: CC1311R3
请注意,本文内容源自机器翻译,可能存在语法或其它翻译错误,仅供参考。如需获取准确内容,请参阅链接中的英语原文或自行翻译。

https://e2e.ti.com/support/wireless-connectivity/sub-1-ghz-group/sub-1-ghz/f/sub-1-ghz-forum/1094697/cc1311r3-antenna-cuircuit-for-868mhz-design

部件号:CC1311R3

您好,

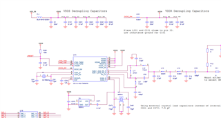
我目前正在研究CC1311R3 5 mm 112.2层1 mm PCB厚度PCB布局。 我可以问一下下面的不平衡变压器设置是否适合? (请参阅CC1311-R3EM-5XD7793)7793)

谢谢!

  • 请注意,本文内容源自机器翻译,可能存在语法或其它翻译错误,仅供参考。如需获取准确内容,请参阅链接中的英语原文或自行翻译。

    是的,原理图适用于868/915MHz ISM频段。  

    建议使用4层板,而不是2层板,以便尽可能降低不需要的排放

  • 请注意,本文内容源自机器翻译,可能存在语法或其它翻译错误,仅供参考。如需获取准确内容,请参阅链接中的英语原文或自行翻译。

    感谢您提供信息。


    附注:非主题一:原理图中提到的去耦电容器的放置位置不正确(可能是7 mm 信息,而不是5 mm)

  • 请注意,本文内容源自机器翻译,可能存在语法或其它翻译错误,仅供参考。如需获取准确内容,请参阅链接中的英语原文或自行翻译。

    谢谢。 是的,这是7 mm 的。 将更新此信息。