请注意,本文内容源自机器翻译,可能存在语法或其它翻译错误,仅供参考。如需获取准确内容,请参阅链接中的英语原文或自行翻译。
器件型号:CC1310 大家好、
以下是客户的请求:
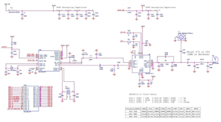
客户使用官方推荐的 cc1310+sky65115电路 和 TI 的官方光绘文件进行打印和测试。
问题1. SmartRF Studio 7接收的最大信号强度为-21dB。
问题 2.使用470MHz 频率单端收发器模式时、距离大约只有500米。
- 客户不知道为什么 SmartRF Studio 7显示的输入信号最强-21dB,即使1dB 信号通过信号线直接注入 cc1310 FR-N 或 FR-P 引脚,显示信号仅为-21dB,原理图如下所示。

- 为什么即使室外距离很短、只有500米、CRC 误差也是如此?
- 470M 单端模式的设置是否正确?
室内测试条件(左侧接收、右侧传输): 
发送信号强度: 
接收信号强度: 
室外测试条件(约872米、实际直线距离约500米): 
PCB 板(板厚度0.8mm 材料 FR-4): 
客户拥有常用的工具、例如光谱仪和网络分析器、屏蔽盒等 他们应该在哪里以及如何进行测试和检查?
在设计自己的产品之前、他们希望了解实际的传输距离
您可以帮助检查此案例吗? 谢谢。
此致、
Nick

