This thread has been locked.

If you have a related question, please click the "Ask a related question" button in the top right corner. The newly created question will be automatically linked to this question.

[参考译文] CC1310:CC1310中的高电流问题

Guru**** 2763595 points

Other Parts Discussed in Thread: CC1190, CC1310

请注意,本文内容源自机器翻译,可能存在语法或其它翻译错误,仅供参考。如需获取准确内容,请参阅链接中的英语原文或自行翻译。

https://e2e.ti.com/support/wireless-connectivity/sub-1-ghz-group/sub-1-ghz/f/sub-1-ghz-forum/1368676/cc1310-high-current-issue-in-cc1310

器件型号:CC1310
Thread 中讨论的其他器件:CC1190

工具与软件:

在我们的项目中、我们已经设计了两种采用 CC1310的电路板-正常范围电路板和远距离电路板(也采用 CC1190扩展器)

我们正面临 一些长距离电路板的输入电源上的高电流问题340 -350mA。 CC1310在这些板上正在发热。 理想情况下、同一模块的电流范围应该是23 -24mA (在工作板上观察到)。 我们在正常范围板中没有发现类似的问题。

在调试时、我们移除了 DCDC_SW 和 VDDR 网络标签之间的 L1电感器、并观察到电源电流降至14mA。

此外、我们还发现了一个异常情况-网站上提供的参考设计(请参阅随附文件)显示了用于 VDDR 的内部直流/直流转换器和全局 LDO 的电源使用情况。 关于矛盾、在技术参考手册( CC13x0、CC26x0 SimpleLink  无线 MCU 技术参考手册(修订版 I)-第1.3.13.1.2节 请注意、使用全局 LDO 时、DCDC_SW 引脚应保持悬空(只能使用两个选项中的一个)。

此外、在测试时、我们在隔离 L1电感器后在 DCDC_SW 和 VDDR 引脚上观察到了不同的电压。 在 DCDC_SW 上、我们得到1.13V;在 VDDR 上、我们都得到1.69V -工作板和电路板有问题。

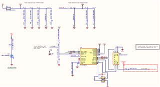
该板的原理图部分如下所示。 请指导我们了解为何某些电路板在输入电源线上获取高电流、并且与工作电路板相比发热。

e2e.ti.com/.../LAUNCHXL_2D00_CC1310_5F00_Schematic.pdf

  • 请注意,本文内容源自机器翻译,可能存在语法或其它翻译错误,仅供参考。如需获取准确内容,请参阅链接中的英语原文或自行翻译。

    您好!

    第11.3节  应用手册的说明明确了是否将DCDC_SW引脚保持悬空:

    SWRA640  (CC13xx/CC26xx 硬件配置和 PCB 设计注意事项): https://www.ti.com/lit/swra640

    要点是如果没有直流/直流电感器、则该DCDC_SW引脚应保持悬空。 如果存在直流/直流电感器、则可以安全地使用直流/直流转换器模式或全局 LDO 模式。

    您是否探测了电路板是否存在潜在的短路、以及您是否使用参考设计中推荐的直流/直流电感器?

    此致、

    Zack

  • 请注意,本文内容源自机器翻译,可能存在语法或其它翻译错误,仅供参考。如需获取准确内容,请参阅链接中的英语原文或自行翻译。

    尊敬的 Zack:

    根据您的回复、我想知道 直流/直流转换器和全局 LDO (在 CC1310内)之间是否发生了动态切换、或者如果存在直流/直流电感器且只使用这两个选项中的一个、我们是否需要在固件中手动配置 CCFG 寄存器?

    我们已经彻底探测了电路板、没有发现任何潜在的短路、而且我们将使用参考设计中提到的相同推荐电感器。 但问题仍然存在。

    下面是随附的电路原理图文件、供您参考。 如果在 CC1310中有任何导致高电流的问题、请浏览设计并指导我们。

    e2e.ti.com/.../RF-master.pdf

    此致、

    Shubham

  • 请注意,本文内容源自机器翻译,可能存在语法或其它翻译错误,仅供参考。如需获取准确内容,请参阅链接中的英语原文或自行翻译。

    尊敬的先生:

    我们正在等待您的回复。 如果您需要有关我们设计的任何其他详细信息、敬请谅解。

    此致、

    Shubham

  • 请注意,本文内容源自机器翻译,可能存在语法或其它翻译错误,仅供参考。如需获取准确内容,请参阅链接中的英语原文或自行翻译。

    我注意到您在设计中没有32kHz xtal、您是否相应地设置了 CCFG?  

  • 请注意,本文内容源自机器翻译,可能存在语法或其它翻译错误,仅供参考。如需获取准确内容,请参阅链接中的英语原文或自行翻译。

    您好!

    下面是随附的 CCFG 配置文件、供您参考。 请根据我们的原理图设计、告诉我是否需要在 CCFG 寄存器中进行任何更改。

     e2e.ti.com/.../1425.ccfg.ce2e.ti.com/.../hw_5F00_ccfg.h

  • 请注意,本文内容源自机器翻译,可能存在语法或其它翻译错误,仅供参考。如需获取准确内容,请参阅链接中的英语原文或自行翻译。

    尊敬的先生:

    我们正在等待您的回复。 请根据我们的原理图设计、填写必要内容、并告知我们是否需要在 CCFG 寄存器中进行任何更改。

    此致、

    Shubham

  • 请注意,本文内容源自机器翻译,可能存在语法或其它翻译错误,仅供参考。如需获取准确内容,请参阅链接中的英语原文或自行翻译。

    尊敬的 ZC 和 TheGhostOf:

    如果我们将电感器器件替换为不同的直流电阻较低的电感器、它会导致电路板过流(340 -370mA 持续电流)和过热问题。

    此致、

    Shubham

  • 请注意,本文内容源自机器翻译,可能存在语法或其它翻译错误,仅供参考。如需获取准确内容,请参阅链接中的英语原文或自行翻译。

    尊敬的 Shubham:

    您对此有任何更新吗? 由于夏季假期,接下来几周的支持有限。

    此致、

    Zack