请注意,本文内容源自机器翻译,可能存在语法或其它翻译错误,仅供参考。如需获取准确内容,请参阅链接中的英语原文或自行翻译。
器件型号:TS3DS10224工具/软件:
你(们)好
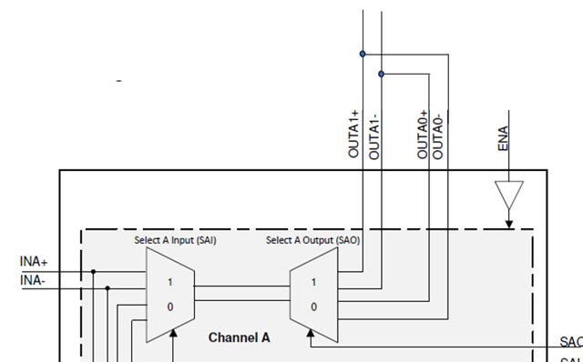
当 TS3DS10224 用作 2 通道 1:2 多路复用器且信号通过 INA 路由到 OUTA0 时、OUTA1 的状态是什么?
它是否处于高阻抗状态?

我计划将其用作极性反转开关。
此连接是否可接受?

This thread has been locked.
If you have a related question, please click the "Ask a related question" button in the top right corner. The newly created question will be automatically linked to this question.
工具/软件:
你(们)好
当 TS3DS10224 用作 2 通道 1:2 多路复用器且信号通过 INA 路由到 OUTA0 时、OUTA1 的状态是什么?
它是否处于高阻抗状态?

我计划将其用作极性反转开关。
此连接是否可接受?
