请注意,本文内容源自机器翻译,可能存在语法或其它翻译错误,仅供参考。如需获取准确内容,请参阅链接中的英语原文或自行翻译。
器件型号:SN74CBTLV3257 大家好、
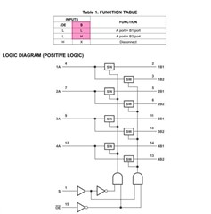
客户希望仔细检查真值表是否正确、尤其是 S 引脚、谢谢!
Andrew

This thread has been locked.
If you have a related question, please click the "Ask a related question" button in the top right corner. The newly created question will be automatically linked to this question.
大家好、
客户希望仔细检查真值表是否正确、尤其是 S 引脚、谢谢!
Andrew
