This thread has been locked.

If you have a related question, please click the "Ask a related question" button in the top right corner. The newly created question will be automatically linked to this question.

[参考译文] MUX508:轨外输入功能与 MAX14752

Guru**** 2482205 points
Other Parts Discussed in Thread: MUX508

请注意,本文内容源自机器翻译,可能存在语法或其它翻译错误,仅供参考。如需获取准确内容,请参阅链接中的英语原文或自行翻译。

https://e2e.ti.com/support/switches-multiplexers-group/switches-multiplexers/f/switches-multiplexers-forum/964531/mux508-beyond-the-rail-input-function-vs-max14752

器件型号:MUX508

大家好、

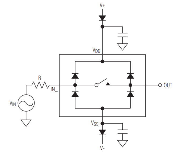
MUX508是否还支持超出轨输入功能、如 MAX14572?  因为我在数据表中找不到任何信息说明。 您可以参考下面的屏幕截图在下面应用此功能。  您是否还可以强调 MUX508和 MAX14572在应用或内部结构方面的其他差异? 谢谢。

  • 请注意,本文内容源自机器翻译,可能存在语法或其它翻译错误,仅供参考。如需获取准确内容,请参阅链接中的英语原文或自行翻译。

    你好、苔丝、

    MAX 器件不会传递超过电源轨的电压-它具有过压保护。 MUX508需要 TVS 二极管等外部保护器件来帮助实现过压保护。

    内部结构将类似于您所示的 MAX 器件。 如上表所示、我们具有模拟信号输入范围的绝对最大值/最小值、并添加了内部 ESD 保护二极管正向压降。

    MUX508是一款精密中压器件-它不提供额外的保护优势、因为它的主要优势是对通过器件的信号的影响极小。 必须在外部添加保护器件以提供额外的保护。  

    最大器件是保护器件+多路复用器。 真正的好处是 Max 器件比 MUX508贵大约3倍 -如果添加外部保护器件、该解决方案可能会更便宜。

    请告诉我这是否是可能的解决方案。

    最棒的

    Parker Dodson