This thread has been locked.

If you have a related question, please click the "Ask a related question" button in the top right corner. The newly created question will be automatically linked to this question.

[参考译文] SN74LV4053A:输出端保留上拉电阻器

Guru**** 2502205 points
Other Parts Discussed in Thread: TCA9517

请注意,本文内容源自机器翻译,可能存在语法或其它翻译错误,仅供参考。如需获取准确内容,请参阅链接中的英语原文或自行翻译。

https://e2e.ti.com/support/switches-multiplexers-group/switches-multiplexers/f/switches-multiplexers-forum/858422/sn74lv4053a-reserve-pull-up-resistor-at-the-output

器件型号:SN74LV4053A
主题中讨论的其他器件:TCA9517

您好、Sirs、

很抱歉打扰你。

我们想知道是否需要在输出端保留上拉电阻器?
顺便说一下、COM 引脚的功能是什么?

谢谢!!

  • 请注意,本文内容源自机器翻译,可能存在语法或其它翻译错误,仅供参考。如需获取准确内容,请参阅链接中的英语原文或自行翻译。

    您好!

    感谢您发布到 E2E、帮助回答您的问题完全没有必要!

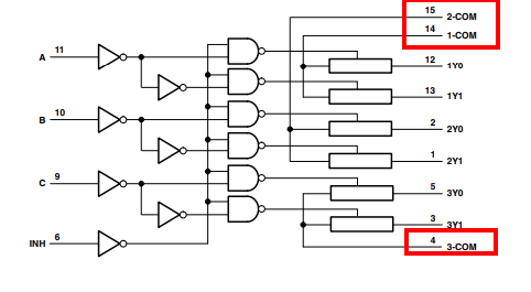
    这是一个3通道2:1 (SPDT)多路复用器。 COM 引脚是连接到 Y0或 Y1的每个信号路径(1、2或3)的单个公共引脚、具体取决于控制逻辑输入(A、B、C、INH)。 请参阅以下单通道的简要示意图:

    为了帮助我回答有关上拉电阻器的问题、您能否向我发送系统的方框图? 您是否使用 Y0/Y1作为输出?

    此致、

    Kate

  • 请注意,本文内容源自机器翻译,可能存在语法或其它翻译错误,仅供参考。如需获取准确内容,请参阅链接中的英语原文或自行翻译。

    您好、Sirs、

    感谢您的回复。

    请参阅我们的原理图、如下所示

    输出为 CN_SMB_...

    那么、根据我们的设计、我们是否需要在输出上保留 PU 电阻器?

  • 请注意,本文内容源自机器翻译,可能存在语法或其它翻译错误,仅供参考。如需获取准确内容,请参阅链接中的英语原文或自行翻译。

    您好!

    感谢您发送原理图。

    通常无需在 SN74LV4053的输出端连接上拉电阻器。

    但是、下游组件 TCA9517的数据表中指示上拉电阻器应连接到引脚 SCLA 和 SDAA (即 SN74LV4053的输出)。 我建议遵循数据表中的此说明。

    在选择上拉电阻器时、请考虑系统的电压和电流要求。

    此致、

    Kate