This thread has been locked.

If you have a related question, please click the "Ask a related question" button in the top right corner. The newly created question will be automatically linked to this question.

[参考译文] TS5A9411:TS5A9411是否与 STG719STR 引脚对引脚(P2P)兼容?

Guru**** 2387830 points
Other Parts Discussed in Thread: TS5A9411
请注意,本文内容源自机器翻译,可能存在语法或其它翻译错误,仅供参考。如需获取准确内容,请参阅链接中的英语原文或自行翻译。

https://e2e.ti.com/support/switches-multiplexers-group/switches-multiplexers/f/switches-multiplexers-forum/599999/ts5a9411-is-the-ts5a9411-pin-to-pin-p2p-compatible-with-stg719str

器件型号:TS5A9411

发件人电子邮件:

--

请确认 TI 的 TS5A9411DCKR 是否与 STG719STR 引脚对引脚兼容(还是仅与封装兼容)?

--

此致、

Sonia

  • 请注意,本文内容源自机器翻译,可能存在语法或其它翻译错误,仅供参考。如需获取准确内容,请参阅链接中的英语原文或自行翻译。

    Sonia、您好!

    要解决引脚对引脚的问题、请参阅 TS5A9411数据表中的代码段(引脚分配和真值表):

    和 STG719数据表中的代码段(引脚分配和真值表):

    两个器件看起来是相同的引脚对引脚、但您应始终仔细检查真值表以确保每个引脚的功能匹配。 在这种情况下、是的、TS5A9411与 STG719引脚对引脚。

    至于您对器件的尺寸有何疑问、它们具有相似的形状、但其尺寸和引脚间距有很大不同。  

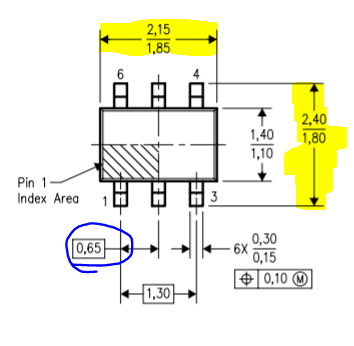
    来自 TS5A9411尺寸的代码段:

    数据表中 STG719尺寸的代码段:

    在这两个片段中、我都突出显示了器件的尺寸、并圈出了每个引脚的间距。

    谢谢、

    Loie

    如果我已经回答了您的问题、请点击"验证答案"。