This thread has been locked.

If you have a related question, please click the "Ask a related question" button in the top right corner. The newly created question will be automatically linked to this question.

[参考译文] TMUX1574:原理图检查

Guru**** 2392905 points
Other Parts Discussed in Thread: TMUX1574

请注意,本文内容源自机器翻译,可能存在语法或其它翻译错误,仅供参考。如需获取准确内容,请参阅链接中的英语原文或自行翻译。

https://e2e.ti.com/support/switches-multiplexers-group/switches-multiplexers/f/switches-multiplexers-forum/785637/tmux1574-schematic-check

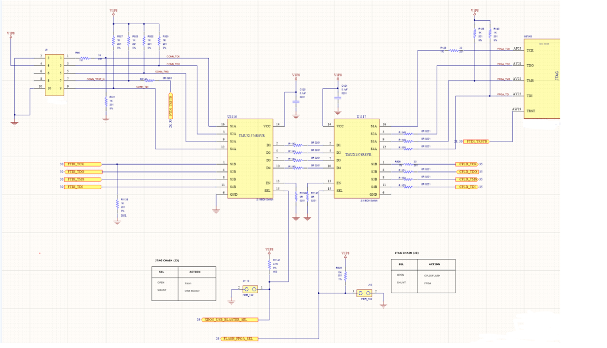
器件型号:TMUX1574

大家好、

客户正在使用 TMUX1574、你们能快速看一下原理图吗? 这种背靠背实施是否正常?

  • 请注意,本文内容源自机器翻译,可能存在语法或其它翻译错误,仅供参考。如需获取准确内容,请参阅链接中的英语原文或自行翻译。

    大脑、

    级联无源 FET 开关没有任何问题,但您需要知道导通状态电阻和电容的影响将是前者的两倍。  TMUX1574是一款具有出色低电容性能的新器件、因此我认为这对于低速 JTAG 调试信号而言不会是一个问题。  

    在原理图中、您使用的是1.8V 电源和信号、它们处于建议的工作条件内。

    谢谢、

    Adam