您好、TI 团队!
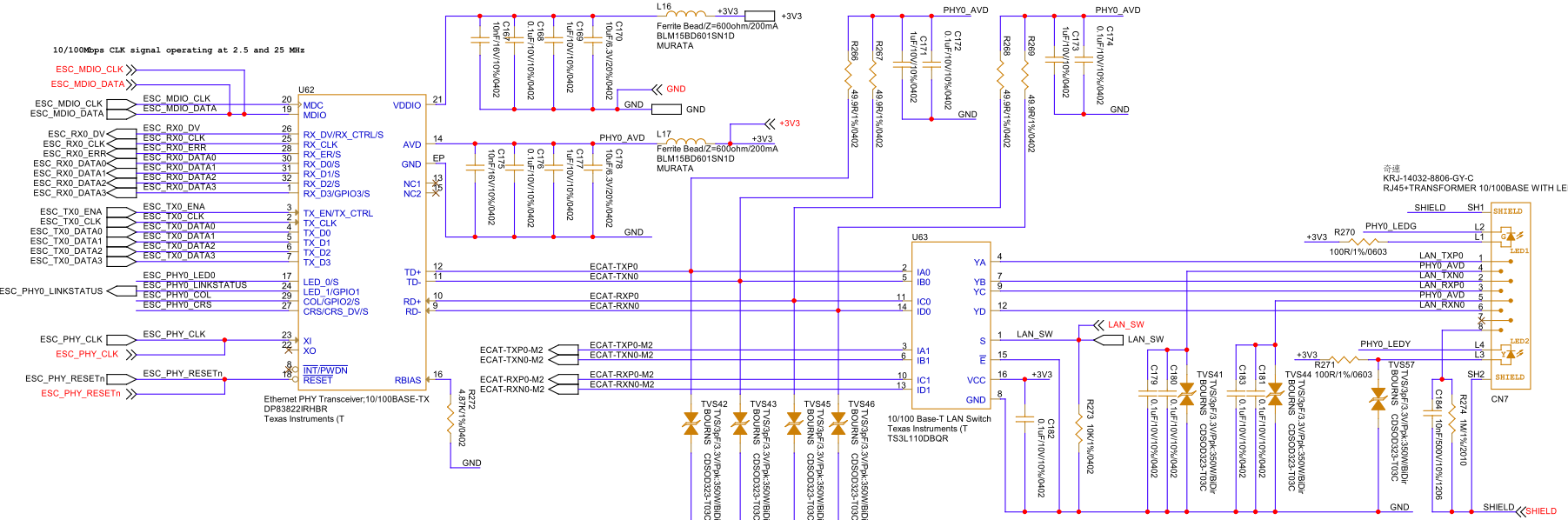
我使用 TS3L110与 DP83822+28P65x 配合使用来设计 EtherCAT 工业通信。 我想请大家讨论以下问题:
我使用的是 RJ45 +网络变压器的连接器、所以变压器已经设计为 RJ45。
主网络速度为:100Base-TX
1.这是第一次使用 LAN 交换机类型的组件。 请参考我的电路图。 此设计是否是正确的使用方式?
2.对于 TS3L110的电源、我应该使用更合适的+3V3或者 AVD (模拟电压)吗?
3. TS3L110信号方向是否正确?
4.有任何建议或其他预防措施吗?

太棒了
