请注意,本文内容源自机器翻译,可能存在语法或其它翻译错误,仅供参考。如需获取准确内容,请参阅链接中的英语原文或自行翻译。
器件型号:SN74CBTLV3125 大家好、
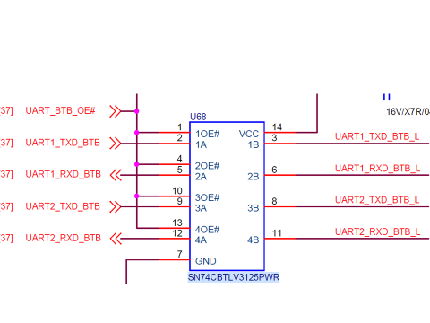
我的客户 经测试 发现 IBIS 无法通过信号(表9&11&2&6至8&12&3&5 )、您可以帮助检查吗?




此致、
海亮
This thread has been locked.
If you have a related question, please click the "Ask a related question" button in the top right corner. The newly created question will be automatically linked to this question.
大家好、
我的客户 经测试 发现 IBIS 无法通过信号(表9&11&2&6至8&12&3&5 )、您可以帮助检查吗?




此致、
海亮
嗨、Hailiang、
他们在这里使用什么软件? 通常、我们在 ADS 中进行评估、因此我将通过该软件进行检查。
但是我发现传递信号时没有问题:


我在这里做了一些简化、但我只是想证明该模型允许信号通过、并且在末端看起来很好。
我将注意到、虽然该模型应该是不双向的、但我确实注意到了这一点。 如果是 A 到 B 还是 B 到 A 都没关系。
他们能否尝试翻转模型上的输入和输出、看看它是否能解决问题? 我知道他们的原理图显示了向后、但为了进行测试、他们应该看到相同的结果、无论是 A 到 B 还是 B 到 A。
谢谢。
Rami