This thread has been locked.

If you have a related question, please click the "Ask a related question" button in the top right corner. The newly created question will be automatically linked to this question.

[参考译文] CC3200MOD:接口 CC3200

Guru**** 2535150 points
Other Parts Discussed in Thread: CC3200, CC3200MOD

请注意,本文内容源自机器翻译,可能存在语法或其它翻译错误,仅供参考。如需获取准确内容,请参阅链接中的英语原文或自行翻译。

https://e2e.ti.com/support/wireless-connectivity/wi-fi-group/wifi/f/wi-fi-forum/826448/cc3200mod-interface-cc3200

器件型号:CC3200MOD
主题中讨论的其他器件:CC3200

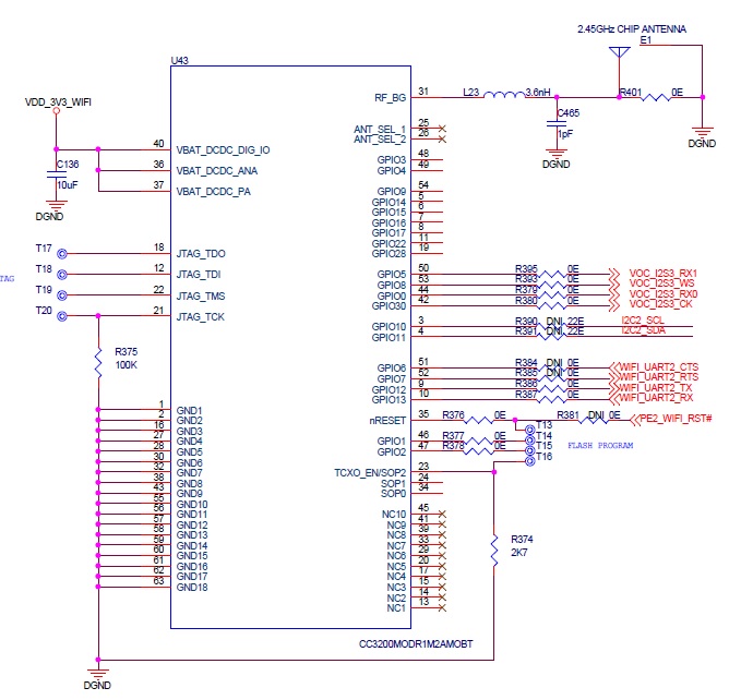
我们将 CC3200MODR1M2AMOBT 与 AMBE 4200声码器连接、以实现语音接口。 我们能否从 CC3200将 Rx0 (GPIO44)和 Rx1 (GPIO50)连接到 AMBE 4200 Tx 和 Rx 引脚? 它的 GPIO 引脚可配置?  

此外、连接到 RF-BG 引脚的芯片天线具有两端接地。 为什么两端都需要接地? (

  • 请注意,本文内容源自机器翻译,可能存在语法或其它翻译错误,仅供参考。如需获取准确内容,请参阅链接中的英语原文或自行翻译。

    您好!

    您的问题答案在 CC3200MOD 数据表(http://www.ti.com/lit/ds/symlink/cc3200mod.pdf)中的"引脚多路复用"表中找到。 顺便说一下、请注意不要混淆模块引脚编号和模块引脚名称(如果未完全清除、请查看"终端配置和功能"部分的其余部分、尤其是数据表的"引脚属性"表)。

    我希望这将有所帮助、

    此致、