This thread has been locked.

If you have a related question, please click the "Ask a related question" button in the top right corner. The newly created question will be automatically linked to this question.

[参考译文] LAUNCHCC3220MODASF:使用哪个 SPI 编程器来刷写 Launchpad?

Guru**** 2583835 points


请注意,本文内容源自机器翻译,可能存在语法或其它翻译错误,仅供参考。如需获取准确内容,请参阅链接中的英语原文或自行翻译。

https://e2e.ti.com/support/wireless-connectivity/wi-fi-group/wifi/f/wi-fi-forum/927307/launchcc3220modasf-which-spi-programmer-is-being-used-to-flash-the-launchpad

器件型号:LAUNCHCC3220MODASF

大家好、

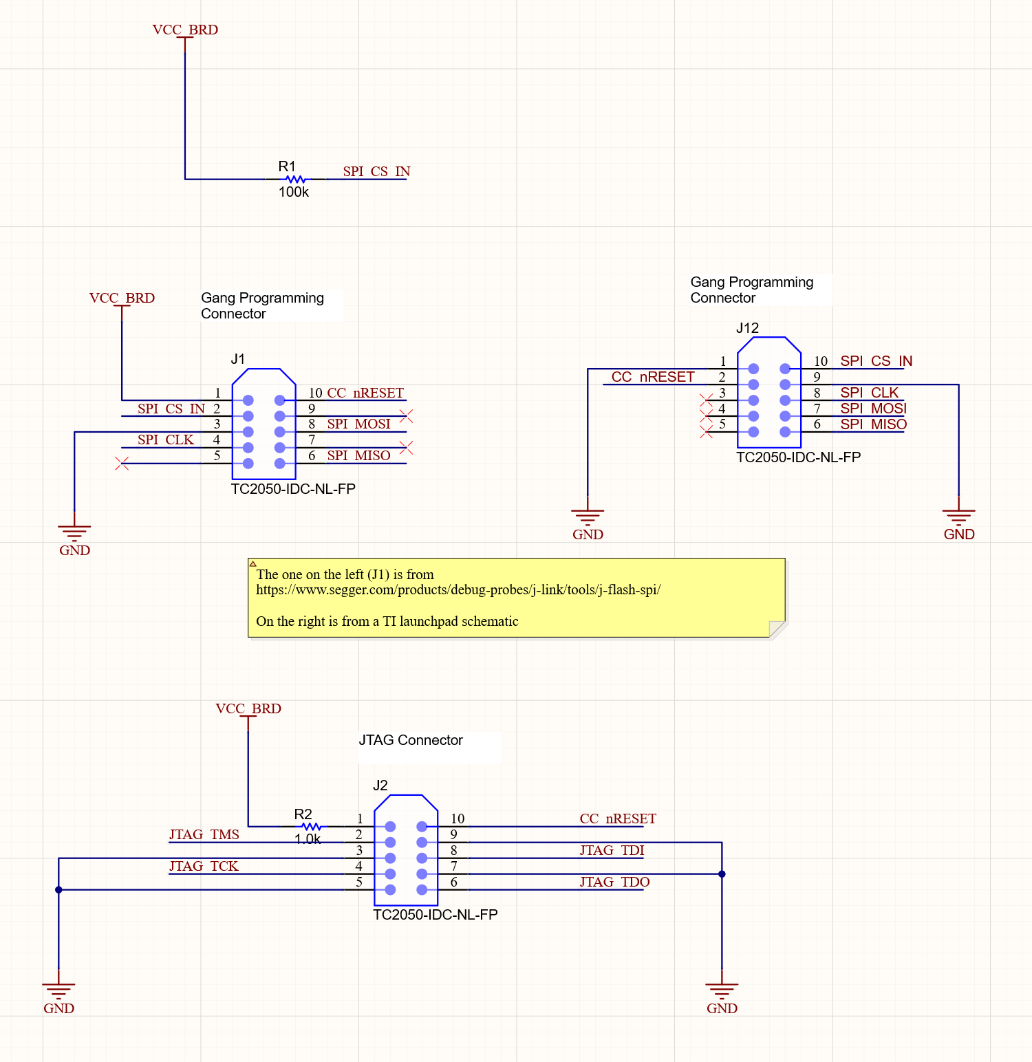
Moda Launchpad 上的 J13具有连接到 SPI 的标签连接接头。 我尝试在电路板上放置一个、但我需要验证引脚排列。 我将 JLINK 与 TC2050 20引脚适配器搭配使用 、并根据 JLINK 和 Tag Connect 提供的数据表在 J1上创建了引脚分配。 J12上的引脚分配是刚刚从 launchpad Gang 连接器复制的引脚分配。

对于 SPI 编程的 JLINK 设置、我是否正确为 J1引脚分配了引脚? 使用 TI 的哪个编程器在 J12上创建引脚?

当我处于该状态时、JTAG 连接器看起来更简单、但如果有人可以检查它、我会很感激。

谢谢!

  • 请注意,本文内容源自机器翻译,可能存在语法或其它翻译错误,仅供参考。如需获取准确内容,请参阅链接中的英语原文或自行翻译。

    尊敬的 Johnbedded:

    我将对此进行研究、并尽快回复您。

    BR、

  • 请注意,本文内容源自机器翻译,可能存在语法或其它翻译错误,仅供参考。如需获取准确内容,请参阅链接中的英语原文或自行翻译。

    谢谢!!

  • 请注意,本文内容源自机器翻译,可能存在语法或其它翻译错误,仅供参考。如需获取准确内容,请参阅链接中的英语原文或自行翻译。

    只需点击这个线程。 对这个问题有什么幸运吗?

  • 请注意,本文内容源自机器翻译,可能存在语法或其它翻译错误,仅供参考。如需获取准确内容,请参阅链接中的英语原文或自行翻译。

    嘿、John、

    如果从工具的数据表中复制 J1的引脚、则可以继续操作。 您只需确保这些信号路由到 CC3220MODx 上的正确引脚即可。  

    Cheetah SPI 工具 是我过去使用 Moda LaunchPad 上的 J13通过 SPI 对串行闪存进行编程的工具。  

    BR、