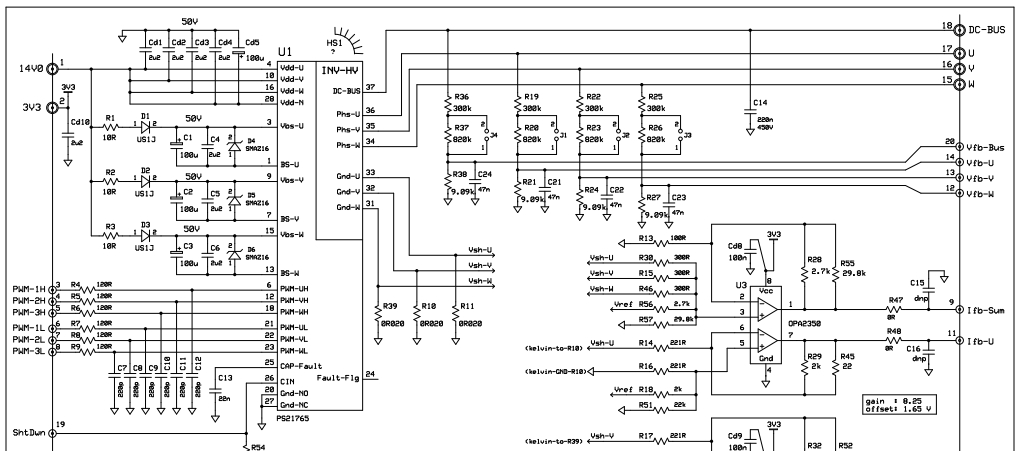
如附件原理图所示,TI高压电机套件中,使用了集成电源模块PS21765,U、V、W输出直接连接电机。
TI的例程中需要采集V-BUS、三相的相电压和相电流共7个模拟量。
假设电机星形连接且公共点为N,逆变器下桥臂公共点为O,则原理图中采集的是Vao、Vbo、Vco(这三个值均为正值),而不是Van、Vbn、Vcn。且采集的电流也不是电机的相电流。
是不是TI的例程里面的控制算法都是基于Vao、Vbo、Vco和iao、ibo、ico的?因为我们常用的控制算法都是基于Van、Vbn、Vcn的,例如磁链观测器等等。所以求哪位大神指导一下!感激不尽
