This thread has been locked.
If you have a related question, please click the "Ask a related question" button in the top right corner. The newly created question will be automatically linked to this question.
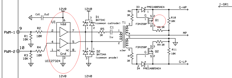
如图所示,1.请问U1的作用是什么?2.Q1管子在此驱动电路中起什么作用?
U1是mosfet的驱动芯片,在这里的作用是驱动LLC半桥的MOSFET;途中Q1的作用是增大驱动能力。