在“spruhm8k--2024-05-25”文件的“1946”页

配置DBCTL=0xC003;
详情如下:
HALFCYCLE = 1;
DEDB_MODE= 1;
OUTSWAP = 0;
SHDWDBFEDMODE=0;
SHDWDBREFMODE=0;
IN_MODE=0;
POLSEL=0;
OUT_MODE=3;
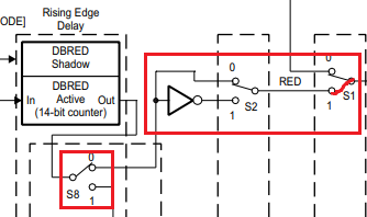
我在按照结构图使用时误操作,发现在使能DEDB_MODE功能时,下图位置应该没有脉冲输出。但是在实际测试中发现了EPWMA不仅有脉冲信号,并且还有上升沿延迟处理的现象。EPWMB脉冲波形被上升沿和下降沿同时作用(正常现象)。

我现在比较疑惑在使能DEDB_MODE功能后,是否有额外的线路将信号连接到了EPWMA的输出上。
