This thread has been locked.

If you have a related question, please click the "Ask a related question" button in the top right corner. The newly created question will be automatically linked to this question.

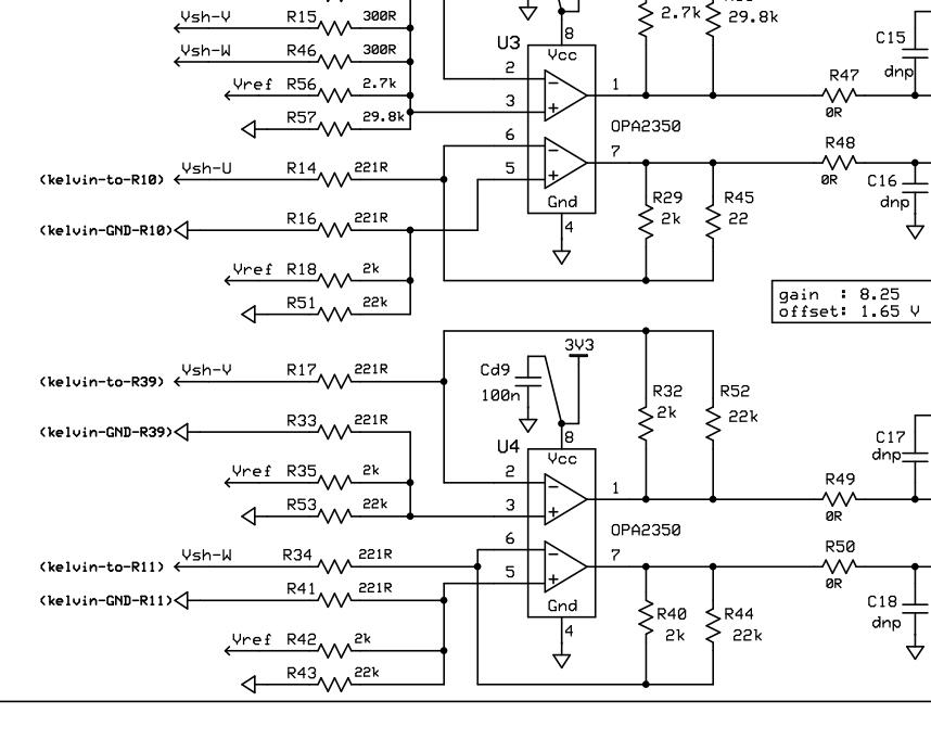
关于ControlSuite里面的高压套件原理图



   

关于这个原理图里面,kelvin-to-R11和kelvin-GND-R11这个是什么意思?