Part Number: TMS320F280039C
对交流电进行采样,发现采到的数据有异常,整个波形往上飘,如下图1
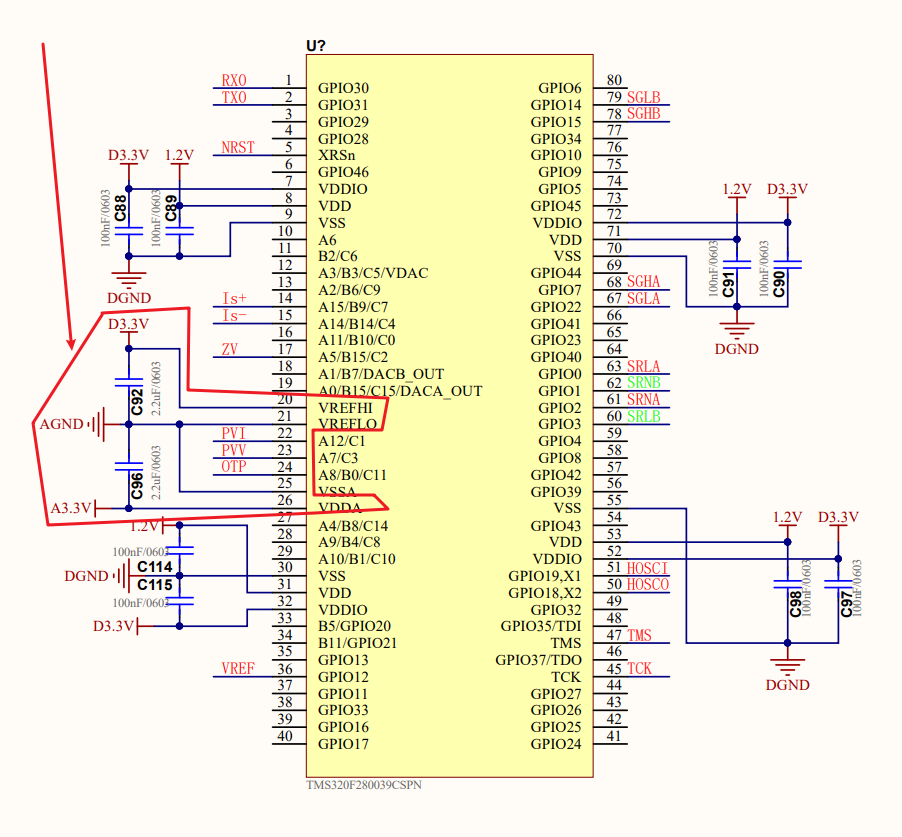
看了硬件原理图,发现我们硬件的VDDA/VREFHI/VREFLO管脚的接法(如下图2)和LAUNCHXK-F280039C硬件的接法(如下图3)不一样
请问我们硬件的接法是否有可能导致采样数据异常?
图1-异常的采样数据波形(波形往上飘)

图2-我们硬件的VDDA/VREFHI/VREFLO管脚的接法

图3-LAUNCHXK-F280039C硬件的接法


Part Number: TMS320F280039C
对交流电进行采样,发现采到的数据有异常,整个波形往上飘,如下图1
看了硬件原理图,发现我们硬件的VDDA/VREFHI/VREFLO管脚的接法(如下图2)和LAUNCHXK-F280039C硬件的接法(如下图3)不一样
请问我们硬件的接法是否有可能导致采样数据异常?
图1-异常的采样数据波形(波形往上飘)

图2-我们硬件的VDDA/VREFHI/VREFLO管脚的接法

图3-LAUNCHXK-F280039C硬件的接法

