各位老师你们好,我在做永磁同步电机矢量控制系统,采用的是无位置滑动模态估计法,在随转子转速进行计算时,看到controlSuite中FOC程序,看到程序中的基频Base_Freq设置为200hz,然后遇到一些问题:
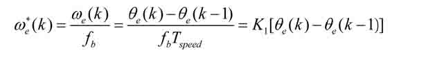
1、利用下面这个式子进行角速度的计算,
Temp1 = _IQmpy(v.K1,(v.EstimatedTheta - v.OldEstimatedTheta));
其中K1=_IQ21(1/(BASE_FREQ*T));
利用表达式可以表示为:
式子中的Tspeed是中断服务频率的倒数吧,为什么还要在除一个基频呢?这个是标幺化处理吗?具体处理思想是什么呢?
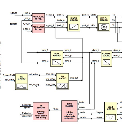
2、为了方便您解决问题,我将系统的控制框图放在下面了。在程序中我还看到,在进行RG模块时需要计算StepAngleMax,这个就是每进入一次中断增加的角度值吧,为什么它的值就是BASE_FREQ*T呢?
非常感谢!!!

