This thread has been locked.

If you have a related question, please click the "Ask a related question" button in the top right corner. The newly created question will be automatically linked to this question.

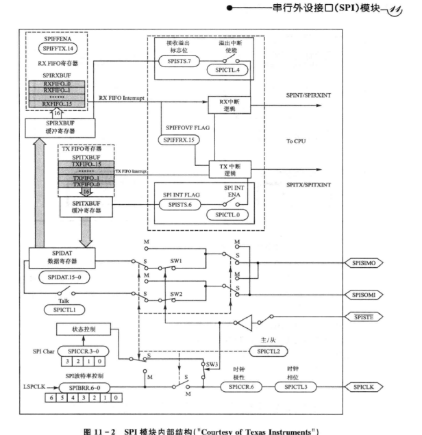
本人学生 请问DSP28335 SPI内部结构图中的SW1 SW2 SW3是什么东西 多谢解答