This thread has been locked.

If you have a related question, please click the "Ask a related question" button in the top right corner. The newly created question will be automatically linked to this question.

关于使用TI支持InstaSPIN-FOC的高压电机控制套件TMDSHVMTRINSPIN 的IPM功率模块炸管子问题



三相电机控制套件:350V、10A、1-1.5 kW,带 Piccolo F28069M、InstaSPIN™-FOC 

在使用TI的高压电机控制套件使用中发生IPM炸管子问题。

之前在使用该套件采用DC60V供电时,可以完成参数辨识,电流环运行相对平稳。

采用高压220V(整流310V母线电压)供电时,进行参数辨识的时候,enablesystem置1,220V上电,runidentify置1,这是仿真器就断开了,报故障。

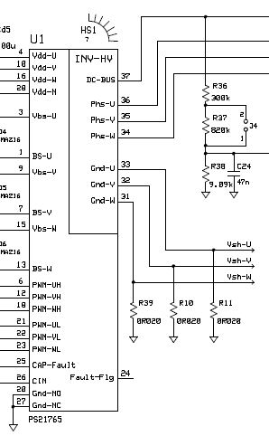
反复尝试几次出现同样的问题,在最后一次,意外发生。IPM下桥臂的电流采样电阻爆裂。如电路图R11

之后立即断开220V供电,经测试IPM三个桥臂中的两个上下管全部短路,经测试已经全部直通。可以确定IPM烧毁,但外观没有炸裂。

现在正在进一步的排除故障。也希望TI的工程师和做过的工程师们帮助分析下。之前使用没有问题,可以完全排除硬件配置原因。

我怀疑的原因是:

IPM采用三菱的PS21765,600V,20A额定电流,40A峰值电流。具体参数如下:

我使用的电机电阻大概4欧姆,会不会是由于在辨识参数时,当置位identfy =1时,仿真器断开,这是程序跑飞,电机占空比错误,由于电机电阻比较小,

310V母线电压加在电机绕组上,瞬间电流,超过IPM的承受极限,首先击穿IPM,IPM直通后,采样电阻由于电流过大,超过额定功率发生爆裂。

希望TI的工程师帮助分析原因,下一步准备确认控制部分和信号链路上是否存在问题。

但在辨识时,置位Identify =1时,仿真器断开,是由于大的冲击电流影响到仿真器引起的吗?

感谢有使用过的同志帮忙分析原因,谢谢~

  • 是不是因为你用了220V的供电,在辨识的时候仿真器受到干扰,然后断开了,此时pwm很可能是处于一个不可控的状态(比如恰好u相上下桥直通),导致u相上下直通,然后大电流流过采样电阻导致其烧坏。

    不知道具体硬件上的隔离措施做的怎样,如果做不好,仿真器是很容易受干扰的。而且带强电时不建议用仿真枪实时去运行程序。

  • 1.现在看来仿真器受干扰的原因比较大,但在使用lab05b提前配置电机参数时,电机可以正常运行速度环不会出现仿真器掉线问题。

    2.使用28069controlcard板上自带仿真器隔离电路。使用28027F的controlcard使用高压板上的仿真器,同样自带隔离电路。

    3.不带仿真器我怎么在线调试那?难道低压先调好,在改下参数,这也不安全啊~~~

  • 附上拆下来的三菱IPM:PS21765.确认信号链路没问题,准备换个新的IPM。

  • 我之前调试这种强电的平台时,一般不会用仿真器实时仿真运行,建议用串口,在程序里加一些变量,通过实时通信来修改它的一些关键变量值和控制程序运行的状态

  • 我觉得这种高压不可能不能在线调试啊,这个评估套件难道设计时没有考虑过这种情况吗?而且IPM得保护功能完全依靠MCU这也是有问题的啊,IPM自己本身应该具有一定得短路或过流保护功能啊。

  • 三菱的IPM应该是有FO这个引脚的吧  当芯片出现过流或者短路时输出一个低电平  然后如果该引脚连在了dsp的tz引脚 并且配置正确 会将pwm封死的 你看看软硬件上有没有这部分配置,此外实时仿真运行时,有个tz6的功能也要使能 这样在仿真器受干扰时候能将pwm封死

  • TI的GUI都是通过JTAG方式实现通信的,修改GUI中的参数,实现电机控制的。要是存在这个问题TI就用串口写个GUI就好的

  • 报告下最新状态,IPM炸管子后,经确认信号链路和控制卡没有问题。重新更换之前烧坏的采样电阻和三菱的IPM功率模块。在低压40V左右可以完成正常的参数辨识(lab02b)和速度环控制(lab05b)。但是母线电压升至80V(这里220V交流通过变压器经整流后母线电压在80V左右),仍出现运行lab02b和lab05b程序仿真器掉线问题。个人分析原因:我感觉是电机在启动阶段电机的瞬态电流过大,电机绕组电阻在2个欧姆左右,电机在启动瞬间以80V为例,瞬态电流可能在几十个安培。较大的冲击电流干扰仿真器,造成仿真器掉线。之前烧毁IPM时候同样存在这个问题。

    其他问题:

    1,总出现高压仿真器掉线问题,我该如何解决?

    2,该套件是否对搭配使用的电机有一定的要求,文档中没有关于这方面的内容?

    3,我在低压段运行,仿真器不断开,这是调节变压器变比升压的方式是否可以?因为电机运行起来后升压,自身的反电势可以抵消部分加在绕组上的电压,不会有过大的冲击电流。这样是否可行?

    希望TI工程师帮忙解答,谢谢!

  • Chirs chen, 您好,

    请问这个帖子中提到的问题您解决了吗?我最近也遇到了这样的问题。

    我们所有的程序在套件上运行 直流母线电压在70v以下的情况下 一切正常 ccs也正常

    直流母线电压给到80v之后,仿真器就会瞬间断开,ccs有时也会出现未响应。

    不知道跟您所描述的情况是否相同,我们目前也猜想是 电流的冲击触发了过流保护。

    ccs显示的错误如下:

    C28xx: Error: (Error -154 @ 0x0) One of the FTDI driver functions used to write data returned bad status or an error. (Emulation package 5.1.507.0)

    C28xx: Unable to determine target status after 20 attempts

    C28xx: Failed to remove the debug state from the target before disconnecting.  There may still be breakpoint op-codes embedded in program memory.  It is recommended that you reset the emulator before you connect and reload your program before you continue debugging

    不知道您解决了这个问题没有,希望您有时间的话 能跟我们分享一下您的看法,很感激。

  • http://www.deyisupport.com/question_answer/microcontrollers/c2000/f/56/p/110186/361450.aspx#361450

    我的问题解决了,在上面网址的回复中找到了解决方案。

  • 我觉得那也不建议使用仿真器,在线调试高压板子。可以先低压在线式,确认程序没问题,将程序烧写到flash.

    或者是使用CAN给指令