各位坛友大家好,最近看到TI的controlSUITE中bridgeless套件原理图
如附件中,是不是存在问题?没有低频回路二极管,AC电压无法采样,而在TI的另一份文件中有较好的说明
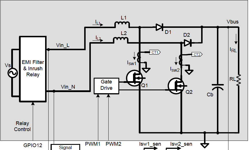
无桥PFC需要低频回路二极管,及开机充电所需通路二及管,如下图
而套件中的原理如下图,LN线电压没有共地,如何进行电压采样呢?
特来论坛向各位请教这个问题
This thread has been locked.
If you have a related question, please click the "Ask a related question" button in the top right corner. The newly created question will be automatically linked to this question.
各位坛友大家好,最近看到TI的controlSUITE中bridgeless套件原理图
如附件中,是不是存在问题?没有低频回路二极管,AC电压无法采样,而在TI的另一份文件中有较好的说明
无桥PFC需要低频回路二极管,及开机充电所需通路二及管,如下图
而套件中的原理如下图,LN线电压没有共地,如何进行电压采样呢?
特来论坛向各位请教这个问题