This thread has been locked.

If you have a related question, please click the "Ask a related question" button in the top right corner. The newly created question will be automatically linked to this question.

SVPWM公式疑问



各位朋友,大家好!
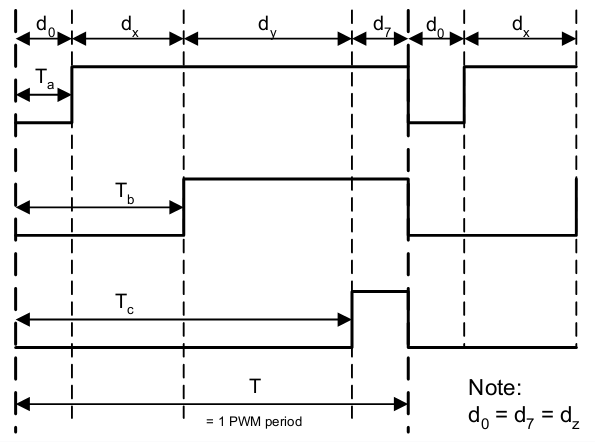
我最近研究SVPWM,用于电机控制,现在遇到一个公式问题,请大家查看、讨论一下。
SVPWM最终的目标是计算得到开关的时间,将它赋值给三路比较器即可。在这篇帖子中(https://www.cnblogs.com/yueze/p/7078400.html),作者得到的时间Ta=(T-t1-t2)/4;Tb=Ta+t1/2;Tc=Tb+t2/2。我查过matlab的仿真,里面的公式如前面所述。
但是,我从TI官方网站下载了一个文章,它的公式里面Ta=(T-t1-t2)/2;Tb=Ta+t1;Tc=Tb+t2,这个是为什么?