1、我买的HVPSFB板子今天第一次上400V直流电,结果控制板子的仿真器绿灯直接不亮。(设备状态:由于该设备有问题,Windows已将其停止。代码(43))。
2、测试了一下,控制板的PWM可以Flash自启动,并且PWM波形可以检测到。就是板子与电脑不能通信,不能往里面输入程序了。
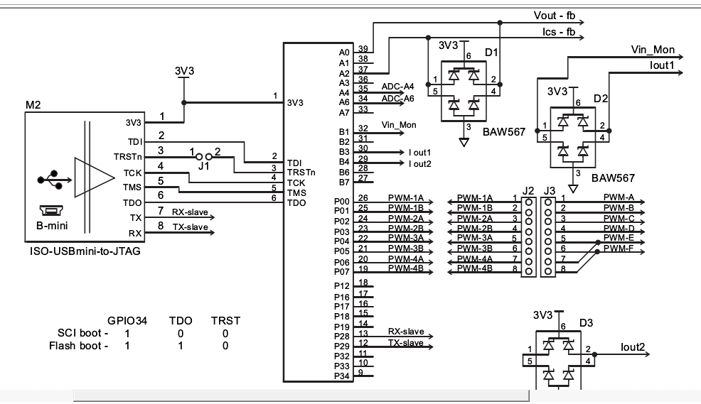
3、附件附上TMS320F28027(Piccolo-A) 控制器卡电路原理图,请问怎么检测控制板是否正常。如果是这部分烧了,又该怎么解决呢? 可以重新换一个USB接口呢?
This thread has been locked.
If you have a related question, please click the "Ask a related question" button in the top right corner. The newly created question will be automatically linked to this question.
1、我买的HVPSFB板子今天第一次上400V直流电,结果控制板子的仿真器绿灯直接不亮。(设备状态:由于该设备有问题,Windows已将其停止。代码(43))。
2、测试了一下,控制板的PWM可以Flash自启动,并且PWM波形可以检测到。就是板子与电脑不能通信,不能往里面输入程序了。
3、附件附上TMS320F28027(Piccolo-A) 控制器卡电路原理图,请问怎么检测控制板是否正常。如果是这部分烧了,又该怎么解决呢? 可以重新换一个USB接口呢?
USB连到电脑,设备管理器能够看否到仿真器驱动。量下电压是否正常。
设备管理器显示未知设备。(由于该设备有问题,Windows 已将其停止。 (代码 43))。
引脚电压见附件
可以自己做,但我没有做过,wiki上有xds100v2的原理图,在以下链接可以找到,您可以尝试下:
http://processors.wiki.ti.com/index.php/XDS100#XDS100v2

请问按照这个jtag定义焊接的接口,并不能连接上,测试错误信息如下:
[Start: Texas Instruments XDS100v2 USB Debug Probe_0]
Execute the command:
%ccs_base%/common/uscif/dbgjtag -f %boarddatafile% -rv -o -F inform,logfile=yes -S pathlength -S integrity
[Result]
-----[Print the board config pathname(s)]------------------------------------
C:\Users\robin\AppData\Local\TEXASI~1\CCS\ ccs7\0\0\BrdDat\testBoard.dat
-----[Print the reset-command software log-file]-----------------------------
This utility has selected a 100- or 510-class product. This utility will load the adapter 'jioserdesusb.dll'.
An error occurred while soft opening the controller.
-----[An error has occurred and this utility has aborted]--------------------
This error is generated by TI's USCIF driver or utilities.
The value is '-151' (0xffffff69). The title is 'SC_ERR_FTDI_OPEN'.
The explanation is: One of the FTDI driver functions used during the connect returned bad status or an error. The cause may be one or more of: no XDS100 is plugged in, invalid XDS100 serial number, blank XDS100 EEPROM, missing FTDI drivers, faulty USB cable. Use the xds100serial command-line utility in the 'common/uscif' folder to verify the XDS100 can be located.
[End: Texas Instruments XDS100v2 USB Debug Probe_0]
请问Ti还有专门卖这个控制板子的嘛?或者维修服务。或者用这个
https://detail.tmall.com/item.htm?id=551465444786&cm_id=140105335569ed55e27b&abbucket=5代替可以嘛? 如果不可以用别的型号的呢?
@Seven Han