Other Parts Discussed in Thread: CONTROLSUITE, TMDSCNCD28069ISO
請問,利用XDS110仿真器能否透過JTAG腳位(TMS、TDI、TDO...等)連接F28069MPZT相對應腳位直接燒錄?
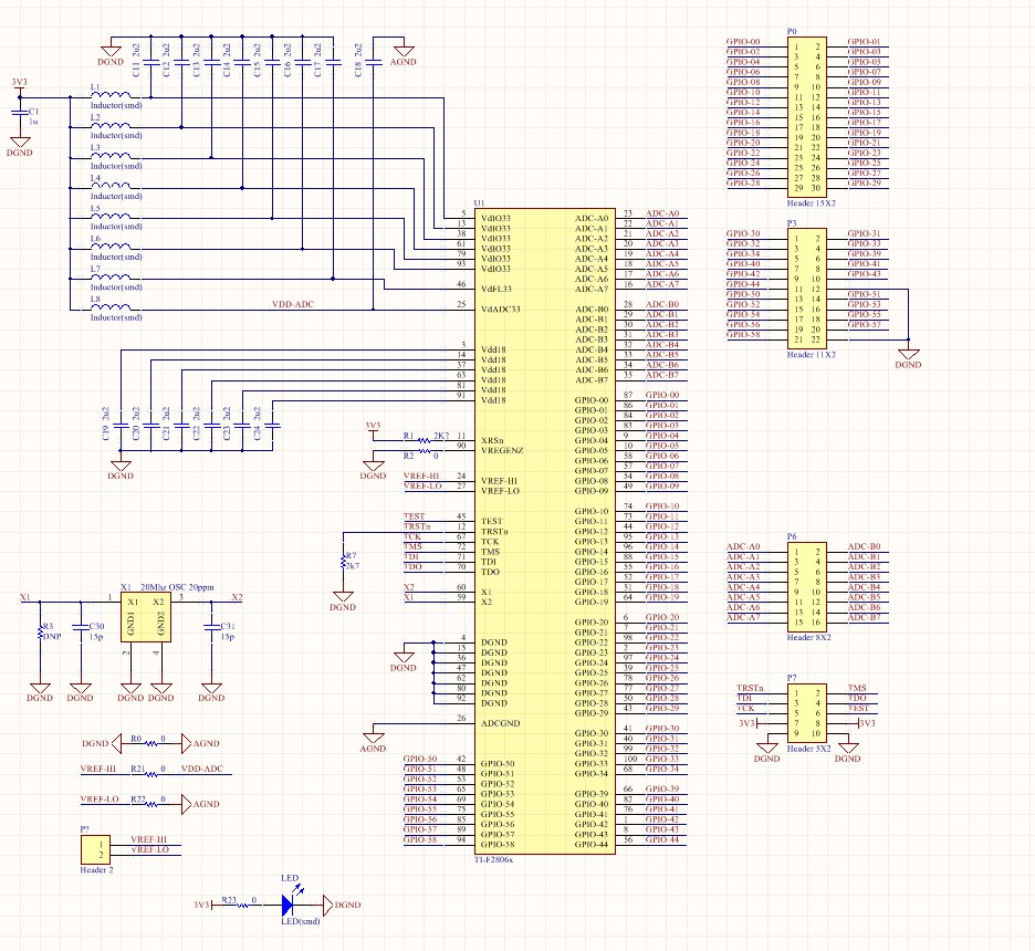
自製板子參考官網的DATASHEET提供的電路(f2806x iso controlcardR0.4)
僅佈線F28069MPZT周邊電路,拉出GPIO、ADC、TDI、TDO等腳位
謝謝
Ru
This thread has been locked.
If you have a related question, please click the "Ask a related question" button in the top right corner. The newly created question will be automatically linked to this question.
Other Parts Discussed in Thread: CONTROLSUITE, TMDSCNCD28069ISO
請問,利用XDS110仿真器能否透過JTAG腳位(TMS、TDI、TDO...等)連接F28069MPZT相對應腳位直接燒錄?
自製板子參考官網的DATASHEET提供的電路(f2806x iso controlcardR0.4)
僅佈線F28069MPZT周邊電路,拉出GPIO、ADC、TDI、TDO等腳位
謝謝
Ru