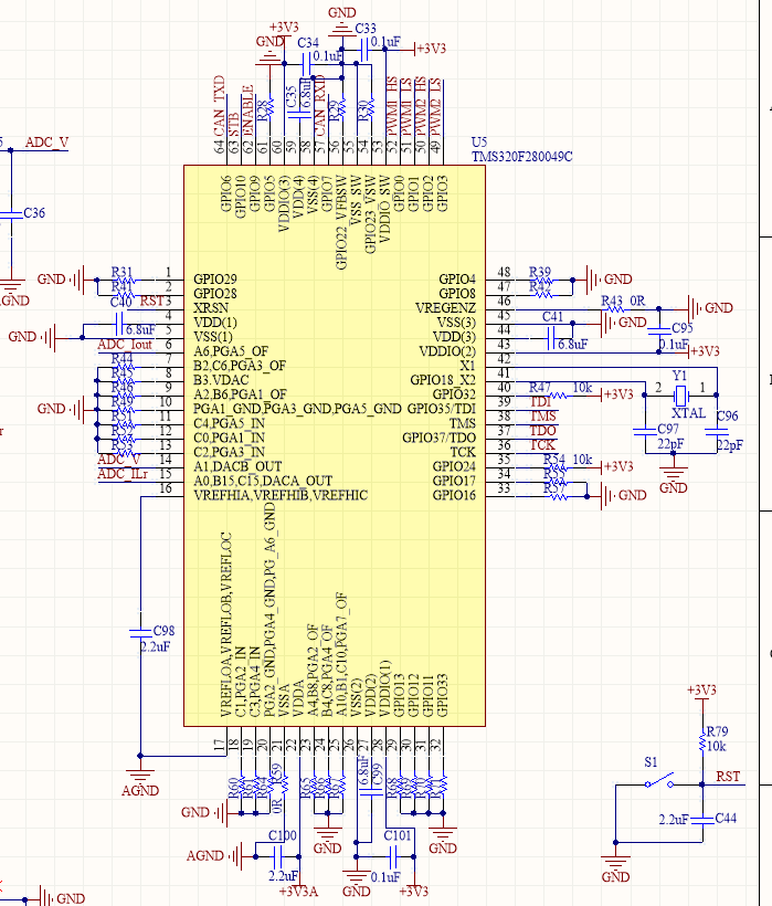
F280049 ADC采样使用内部3.3V参考,设计A0通道SOC0采样出来一直是3625,A0口的电压应该是55 mV左右。用C2000Ware中自带的ADC程序也是出现这种情况!ADC的结果始终是3625,希望高手帮忙解答》。
This thread has been locked.
If you have a related question, please click the "Ask a related question" button in the top right corner. The newly created question will be automatically linked to this question.