This thread has been locked.

If you have a related question, please click the "Ask a related question" button in the top right corner. The newly created question will be automatically linked to this question.

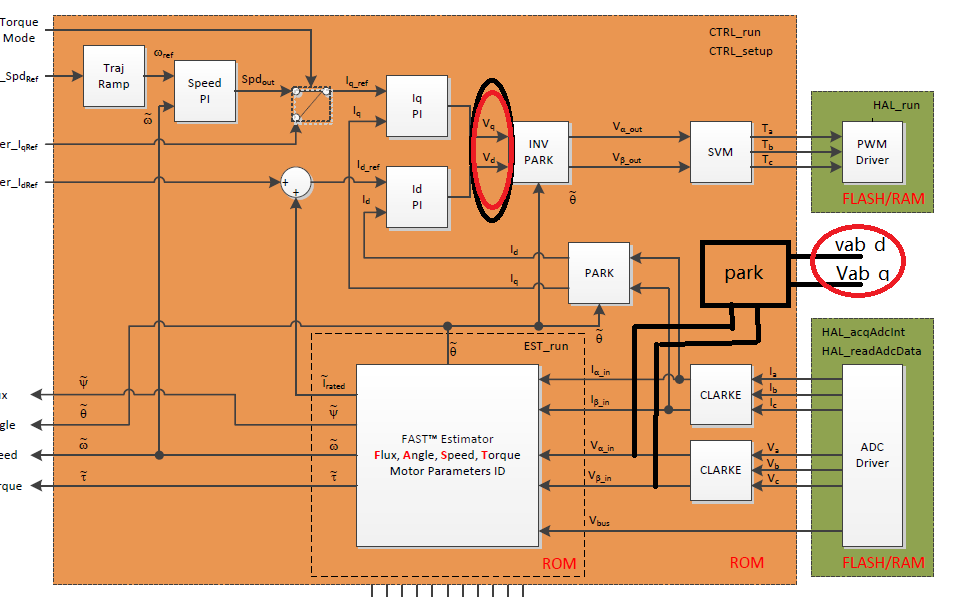
关于反电势park变换



驱动器转矩模式等待状态 , 电机处于运转状态(被另外一台电机拖动),我觉得 上图中 两个 红圈中  vq 应该等于 vab_q ,vd 应该等于 vab_d  ,然而它们 相差太大,为什么?