This thread has been locked.

If you have a related question, please click the "Ask a related question" button in the top right corner. The newly created question will be automatically linked to this question.

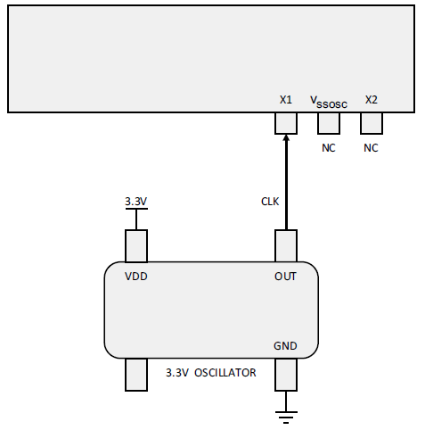
关于28377的外接有源晶振原理图



关于28377外接有源晶振的情形,手册中给出的接法和网上给出的解法不太一样,请问那个是正确的,还是说都可以?