This thread has been locked.
If you have a related question, please click the "Ask a related question" button in the top right corner. The newly created question will be automatically linked to this question.
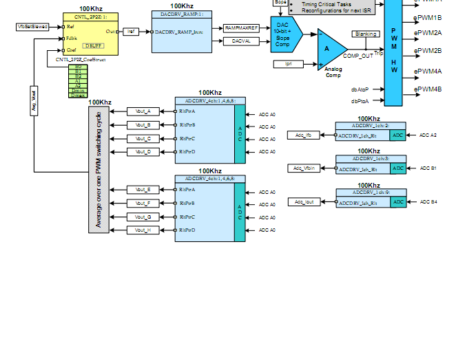
我想问问这个图是用什么来做的。matlab吗?
顶顶先
您好!
不是Matlab,这是TI 内部用来画 Block Diagram的软件画的。
请问 Block Diagram这个软件有提供吗?
对不起,这是TI内部的软件,暂时不对外公布。