This thread has been locked.

If you have a related question, please click the "Ask a related question" button in the top right corner. The newly created question will be automatically linked to this question.

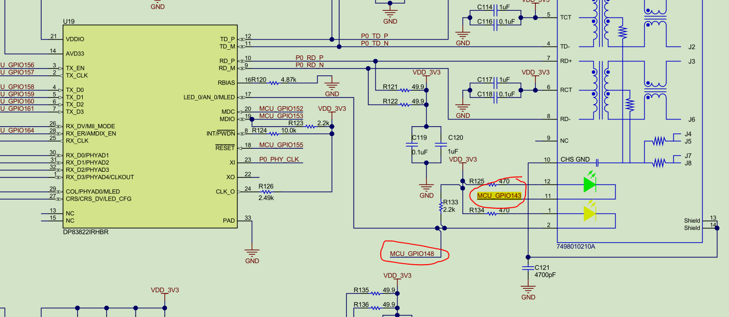
28388 P0 Linkstatus and Link Active LED

Other Parts Discussed in Thread: C2000WARE

          请问GPIO148和GPIO143是由谁进行控制的?是ESC芯片自己吗?为什么例程中将两个引脚配置为输入,可是例程中并没有对这两个引脚进行控制。           

GPIO_setPinConfig(GPIO_148_ECAT_PHY0_LINKSTATUS);
GPIO_setPadConfig(148, GPIO_PIN_TYPE_STD);
GPIO_setPinConfig(GPIO_143_ECAT_LED_LINK0_ACTIVE);
GPIO_setQualificationMode(143, GPIO_QUAL_ASYNC);
GPIO_setPadConfig(143, GPIO_PIN_TYPE_INVERT);