Dear team,
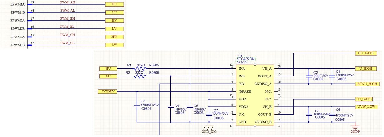
下图是f28035的输出,提供小信号给隔离驱动IC(右图),通过隔离驱动IC来驱动功率晶体。
问题是这6只输出脚的source current/sink current分别是多少?
Thank you.
This thread has been locked.
If you have a related question, please click the "Ask a related question" button in the top right corner. The newly created question will be automatically linked to this question.