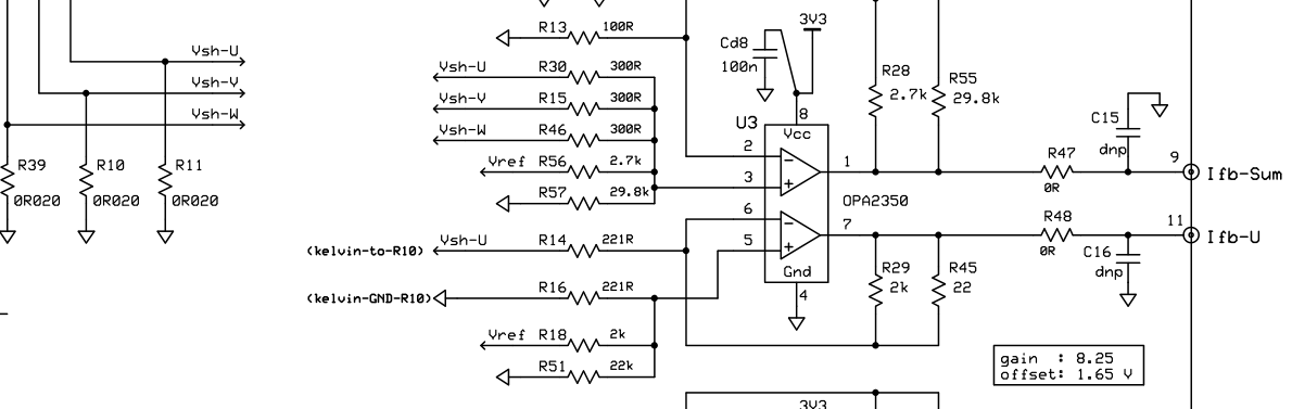
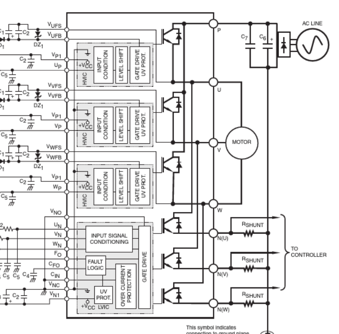
在这个采集电路中,当U相下桥臂导通时测得电阻SHUNT的压降,根据欧姆定律可以算出U相电流值。当U相上桥臂导通时电阻SHUNT的压降是0但是U相是存在电流的。这时候怎么知道U相电流值呢?并且这时候0已经作为反馈值给到ADC采集了,ADC反馈这一相电流是0,这不就和实际情况违背了吗
This thread has been locked.
If you have a related question, please click the "Ask a related question" button in the top right corner. The newly created question will be automatically linked to this question.