This thread has been locked.

If you have a related question, please click the "Ask a related question" button in the top right corner. The newly created question will be automatically linked to this question.

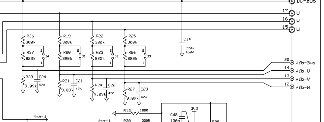
电路是怎么采集相电压



在这个电路中可以采集到U对GND的电压,但是相电压是U与中心点之间的电压,这个电路可以采集相电压吗