This thread has been locked.
If you have a related question, please click the "Ask a related question" button in the top right corner. The newly created question will be automatically linked to this question.
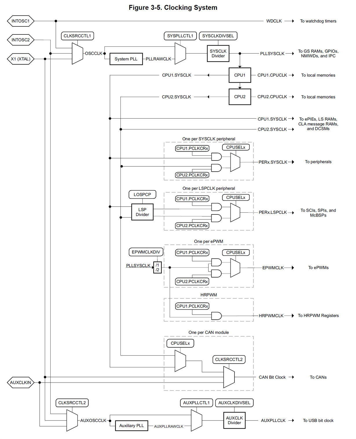
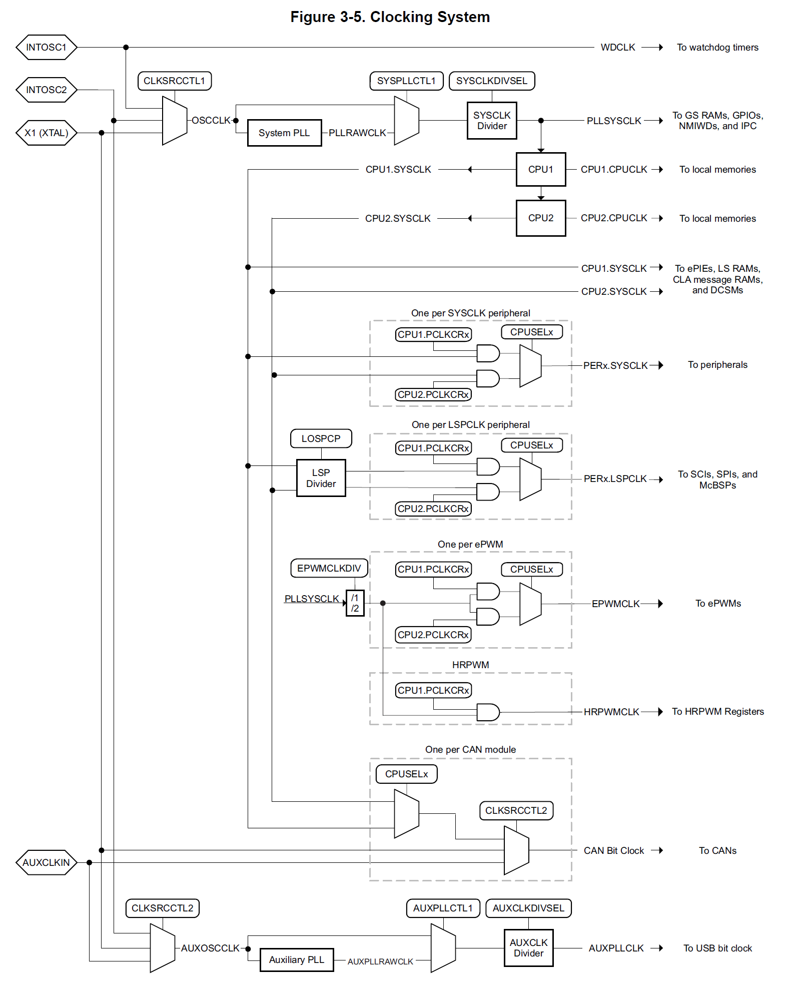
寄存器里经常提到SYSCLKOUT
在这张图里,哪个才是SYSCLKOUT
应该不是恒值吧?应该是可配的吧?所以我想通过之前那张图来确定配出来具体是哪一个,频率是多少