This thread has been locked.

If you have a related question, please click the "Ask a related question" button in the top right corner. The newly created question will be automatically linked to this question.

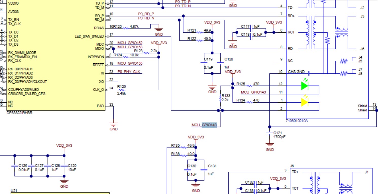
TMS320F28388S PHY0_Linkstatus 需要接PULL HIGH 吗

Other Parts Discussed in Thread: TMS320F28388S, C2000WARE, TMDSCNCD28388D, DP83822I

请问
只要有PHY IC
TMS320F28388S  GPIO86/ESC_PHY0_Linkstatus
这PIN 就要PULL HIGH 吗?
这PIN 的动作方式为何呢?