Part Number: TMS320F28379D
Other Parts Discussed in Thread: AMC1035
您好,工程师:
我使用的是28379D+AMC1035,采到的电压值始终有0.1V的偏差,有可能是什么原因呢?滤波器各种设置都试过了。
This thread has been locked.
If you have a related question, please click the "Ask a related question" button in the top right corner. The newly created question will be automatically linked to this question.
Part Number: TMS320F28379D
Other Parts Discussed in Thread: AMC1035
您好,工程师:
我使用的是28379D+AMC1035,采到的电压值始终有0.1V的偏差,有可能是什么原因呢?滤波器各种设置都试过了。

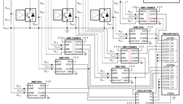
工程师您好,这是我的电路图,测得的电压不是固定的,0.28V测得0.22V、0.58V测得0.45、0.62V测得0.5V,AMC1035的refout测到是2.5V,我是根据下图把它悬空了,难道应该接地?

抱歉这款ADC芯片不太熟悉,建议你可以去这个论坛咨询一下:e2echina.ti.com/.../data-converters-forum