
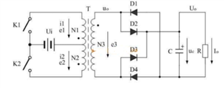
推挽的K1和K2分别用PWM2A,PWM2B替代去驱动,现在想做一些实验故涉及到了PWM输出的两路的相位以及占空比的问题,故问题如下:
1.怎么实现PWM2A,PWM2B两路输出相位0~180度之间变化?即相位差自己可以任意设置
2.当相位不同的时候怎么实现自己需要的占空比?比如PWM2A占空比为10%,而PWM2B占空比为30%
谢谢!
This thread has been locked.
If you have a related question, please click the "Ask a related question" button in the top right corner. The newly created question will be automatically linked to this question.

推挽的K1和K2分别用PWM2A,PWM2B替代去驱动,现在想做一些实验故涉及到了PWM输出的两路的相位以及占空比的问题,故问题如下:
1.怎么实现PWM2A,PWM2B两路输出相位0~180度之间变化?即相位差自己可以任意设置
2.当相位不同的时候怎么实现自己需要的占空比?比如PWM2A占空比为10%,而PWM2B占空比为30%
谢谢!
你好,PWMA/B的占空比我认为通过调节CMPA、CMPB的值就可以来控制了,当然前提是在非互补模式下。
不过你说让PWMA/B的相位不同,这个好像不行啊,一个PWM模块只有一个时基寄存器和相位控制寄存器,是用来控制整个PWM模块的