Part Number: TMS320F28377D
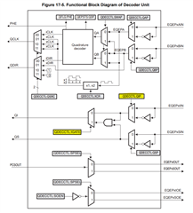
程序中设置了使用index信号下降沿来锁存计数器数值(EQep1Regs.QEPCTL.bit.IEL = 2),但给了信号后index对应的EQep1Regs.QFLG.bit.IEL位始终没有反应,保持为零。
已经确保了Eqep信号引脚没有其他复用功能,且A和B两路信号计数正常。
另外,想请问下,TI例程里,都不需要对index对应的位(EQep1Regs.QEPCTL.bit.IEL )进行配置吗?我看该位默认为0,是保留位,那为何又可以在计算角度时来检查index是否发生呢?(if(EQep1Regs.QFLG.bit.IEL == 1)
)
