使用2808芯片,CCS3.3,仿真器是XDS510-USB2.0(淘宝产品),现在的情况是绘制一个新板子调试过程中,每次连上仿真器,进入28xx on-chip flash programmer后,DSP就进入下面密码锁定状态(见下图)
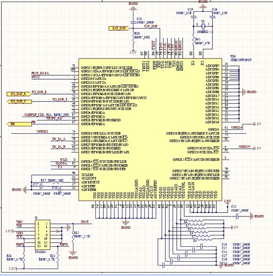
,但是此DSP又不是真正的锁定,将片子焊下来转焊到公司别的产品上又能进行一切操作没有锁定。按理说这款板子的原理和以前的产品没啥区别,就是将所用的几个串口和SPI口的位置进行了调整,GPIO 18 29 34是直接接至高电平选择FLASH引导(以前的产品也是这样使用的),原理图如下
,请问哪位朋友遇到过,该从哪里考虑。实在没辙了,跪求解决思路啊。
另外:不是DSP芯片的原因,换了好几个不同批次的芯片都是这样的情况,能连上仿真器,就是总是需要输入密码,但是焊到别的板子DSP就没问题。供电正常,复位引脚正常(平时高电平),不连接仿真器有个十几毫秒周期的波形,看论坛说是内部的看门狗输出。也应该不是仿真器的问题,在其他成熟产品上就没有问题,而且原理和这个基本一致。
