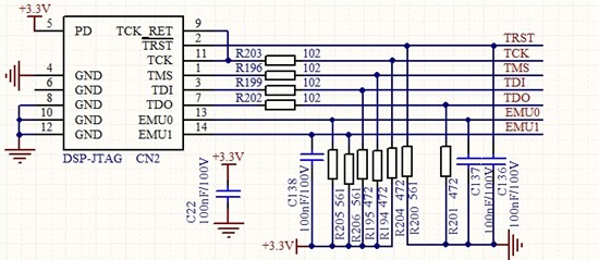
新焊接的电路板,程序可以下载至RAM 中运行,但烧写至FLASH时,unlock failed!,芯片我也换了好几片了。同样的现象。电脑及编程器的原因可以排除,因为我可以烧写tms 320f2812( jtag电路图不一样),下面是我的解不开锁的芯片JTAG连接图!
This thread has been locked.
If you have a related question, please click the "Ask a related question" button in the top right corner. The newly created question will be automatically linked to this question.