Other Parts Discussed in Thread: CONTROLSUITE
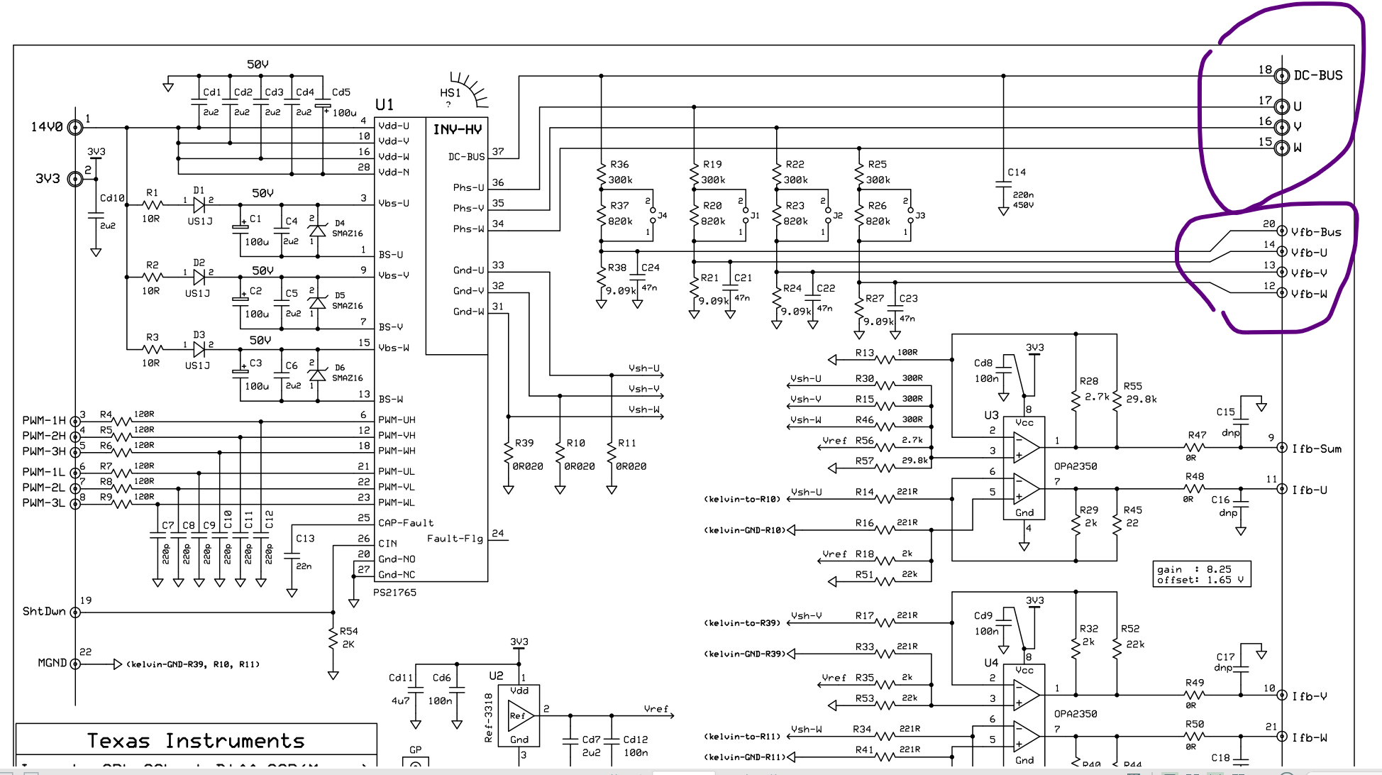
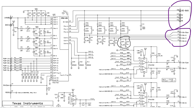
请问在TMDSHVMTRPFCKIT原理图中 Vfb-u Vfb-v Vfb-w 这三个分压后的电压是用来转化成ADC能测的相电压吗?他这里用了硬件LPF了吧,相电压测量在实际程序中需要相位幅值补偿吧?我没看到哪里补偿
(controlSUITE\development_kits\HVMotorCtrl+PfcKit_v2.1\~HVMotorCtrl+PFC-HWdevPkg\HVMotorCtrl+PFCKit-R1.1)
另外在 PHASEVOLT_MACRO(v)这个宏中测量的v.VphaseA v.VphaseB使用的是哪一个电压?(controlSUITE\development_kits\HVMotorCtrl+PfcKit_v2.1\HVPM_Enhanced_Sensorless_2803x\volt_calc.h)



