This thread has been locked.

If you have a related question, please click the "Ask a related question" button in the top right corner. The newly created question will be automatically linked to this question.

F28M35比较器问题



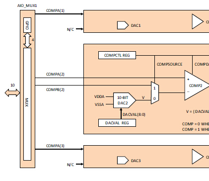
正在研究F28M35的内部比较器,从数据手册的图上看,好像只有COMPA2和COMP5D模拟信号的A、B引到了比较器中,其他的只有A和内部DAC引到比较器中,请问是这样吗?